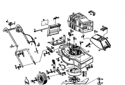
Ersatzteile Golf Elektrovertikutierer 30 VEP Typ: 16AF11CA638  (2006) Grundgerät
Für eine größere Ansicht klicken Sie auf das Vorschaubild

Ersatzteile Golf Elektrovertikutierer 30 VEP Typ: 16AF11CA638 (2006) Grundgerät

MTD
MTD Art.Nr.: E3-01883C-01
Hier können Sie Ersatzteile Golf Elektrovertikutierer 30 VEP Typ: 16AF11CA638 (2006) Grundgerät einfach online kaufen.

In der Skizze sind die Teile mit einer Zahl gekennzeichnet. Diese finden Sie in der Tabelle wieder und können so das Ersatzteil aus der Tabelle auswählen und online kaufen.


Ersatzteil
deutschenglishfrench
PreisBildkaufen
Teil 4 PT-SCHRAUBE:#8-16X.75:PAN:TYP6
Art.Nr.: WG-4934
Part 4 SCR:PLST48:#8-16:0.75:PAN:TYP6
Article no.: WG-4934
Partie 4 VIS
Numéro d'article: WG-4934
5,00 € ohne Abbildung
Teil 5 RIEMENSCHEIBE:ANTRIEB .75 DIA
Art.Nr.: WG-756-1220A
Part 5 PUL:DR:.75 DIA. POLY VEE
Article no.: WG-756-1220A
Partie 5 POULIE
Numéro d'article: WG-756-1220A
27,83 €**ohne Abbildung
Teil 7 DRUCKFEDER
Art.Nr.: WG-732-1033
Part 7 BUTTON SPRING
Article no.: WG-732-1033
Partie 7 RESSORT DE PRESSION
Numéro d'article: WG-732-1033
5,47 € ohne Abbildung
Teil 8 RIEMENSCHEIBE:3.090 POLY VEE
Art.Nr.: WG-756-04087B
Part 8 PUL:3.090 POLY VEE
Article no.: WG-756-04087B
Partie 8 POULIE
Numéro d'article: WG-756-04087B
24,88 € Teil 8 RIEMENSCHEIBE:3.090 POLY VEE Art.Nr.: WG-756-04087B
Teil 9 SCHEIBE A6.4 DIN 9021-ST
Art.Nr.: WG-736-0685
Part 9 WASH:FLAT:6.4 IDX18OD DIN 9021
Article no.: WG-736-0685
Partie 9 RONDELLE
Numéro d'article: WG-736-0685
3,09 € Teil 9 SCHEIBE A6.4  DIN      9021-ST Art.Nr.: WG-736-0685
Teil 9 SCHEIBE A6.4 DIN 9021-ST
Art.Nr.: WG-736-0685
Part 9 WASH:FLAT:6.4 IDX18OD DIN 9021
Article no.: WG-736-0685
Partie 9 RONDELLE
Numéro d'article: WG-736-0685
3,09 € Teil 9 SCHEIBE A6.4  DIN      9021-ST Art.Nr.: WG-736-0685
Teil 10 FEDERRING B6 DIN 127-FEDERST
Art.Nr.: WG-736-0648
Part 10 WASHER:LOCK:B6:DIN 127
Article no.: WG-736-0648
Partie 10 RONDELLE GROWER
Numéro d'article: WG-736-0648
2,33 € Teil 10 FEDERRING B6   DIN 127-FEDERST Art.Nr.: WG-736-0648
Teil 11 SCHR:M6-1:20.00 LG DIN6921-8.8
Art.Nr.: WG-710-04189
Part 11 SCR:M6-1:20.00 LG DIN 6921-8.8
Article no.: WG-710-04189
Partie 11 VIS:M6-1:20.00 LG DIN6921 8.8
Numéro d'article: WG-710-04189
3,09 € Teil 11 SCHR:M6-1:20.00 LG DIN6921-8.8 Art.Nr.: WG-710-04189
Teil 13 KUGELLAGER
Art.Nr.: WG-741-0600
Part 13 BEARING BALL
Article no.: WG-741-0600
Partie 13 PALIER ¡ BILLES
Numéro d'article: WG-741-0600
16,22 € ohne Abbildung
Teil 15 ANTRIEBSKEILRIEMEN:POLY VEE
Art.Nr.: WG-754-04035
Part 15 BELT:DR:POLY VEE
Article no.: WG-754-04035
Partie 15 COURROIE
Numéro d'article: WG-754-04035
21,21 € ohne Abbildung
Teil 18 SCHRAUBE:HL:#12-16:1.000:TRUSP
Art.Nr.: WG-710-0969
Part 18 SCR:HL:#12-16:1.000:TRUSPHI
Article no.: WG-710-0969
Partie 18 VIS:#12-16:1.000:TRUSPHI
Numéro d'article: WG-710-0969
2,56 € ohne Abbildung
Teil 26 SSK, L=1396.60 O.BIEGESCHUTZ
Art.Nr.: WG-725-04147A
Part 26 SWITH-PLUG-COMBI.
Article no.: WG-725-04147A
Partie 26 COMMUTATEUR COMBINE
Numéro d'article: WG-725-04147A
37,54 €**ohne Abbildung
Teil 29 KABELHALTERUNG
Art.Nr.: WG-726-0368637
Part 29 SUPPORT, CABLE
Article no.: WG-726-0368637
Partie 29 KABELHALTERUNG
Numéro d'article: WG-726-0368637
7,92 € ohne Abbildung
Teil 31 VERSCHLUSSSTOPFEN GL18
Art.Nr.: WG-720-0369
Part 31 PLUG:HANDLE
Article no.: WG-720-0369
Partie 31 BOUCHON 000.34.303
Numéro d'article: WG-720-0369
5,47 € ohne Abbildung
Teil 32 SECHSKANTSCHR.M8x45 DIN931-8.8
Art.Nr.: WG-710-1703
Part 32 HHCS:M8-1.25:45.00 LG DIN 933
Article no.: WG-710-1703
Partie 32 VIS ¡ SIX PANS CREUX
Numéro d'article: WG-710-1703
2,83 € ohne Abbildung
Teil 34 FL-RD-SCHR: M8x35 DIN 603-8.8
Art.Nr.: WG-710-1718
Part 34 SCR:CRG:M8-1.25:35 LG
Article no.: WG-710-1718
Partie 34 VIS A TETE PLATE
Numéro d'article: WG-710-1718
3,00 € ohne Abbildung
Teil 34A FL-RD-SCHR: M8x45 DIN 603-4.6
Art.Nr.: WG-710-1375
Part 34A Screw M8x45Mu 4.6 DIN 603
Article no.: WG-710-1375
Partie 34A VIS A TETE PLATE
Numéro d'article: WG-710-1375
2,88 € ohne Abbildung
Teil 35 FEDERRING B8 DIN 127
Art.Nr.: WG-736-0649A
Part 35 WASHER:LOCK:B8 DIN 127
Article no.: WG-736-0649A
Partie 35 BAGUE ÜLASTIQUE
Numéro d'article: WG-736-0649A
2,49 € ohne Abbildung
Teil 35A FÄCHERSCHEIBE:M8:EXT:DIN 6798
Art.Nr.: WG-736-0689
Part 35A WASH:LOCK:M8:EXT:DIN 6798
Article no.: WG-736-0689
Partie 35A RONDELLE A DENTS CHEVAUCHANTES
Numéro d'article: WG-736-0689
2,95 € Teil 35A FÄCHERSCHEIBE:M8:EXT:DIN 6798 Art.Nr.: WG-736-0689
Teil 36 6KT-MUTTER: M8 DIN 934-8
Art.Nr.: WG-712-0690
Part 36 NUT:HEX:M8-1.25:CL8:DIN 934
Article no.: WG-712-0690
Partie 36 ECROU HEXAGONAL
Numéro d'article: WG-712-0690
2,84 € Teil 36 6KT-MUTTER: M8       DIN 934-8 Art.Nr.: WG-712-0690
Teil 36A FLÜGELMUTTER:M8 x 1.25
Art.Nr.: WG-720-0368
Part 36A NUT:WING:M8 X 1.25:WOLF BLACK
Article no.: WG-720-0368
Partie 36A ECROU PAPILLON
Numéro d'article: WG-720-0368
5,12 €
Teil 37 LAGER VOLLST.
Art.Nr.: WG-681-04018A
Part 37 BRG ASM:SHF:COMPLETE
Article no.: WG-681-04018A
Partie 37 PALIER
Numéro d'article: WG-681-04018A
25,47 €**Teil 37 LAGER VOLLST. Art.Nr.: WG-681-04018A
Teil 39 SCHULTERSCHR:7.13 x 11.50:M6x1
Art.Nr.: WG-738-04079
Part 39 SCR:SHLDR:7.13x11.50:M6x1:8.8
Article no.: WG-738-04079
Partie 39 VIS:7.13x11.M6X1 8.8
Numéro d'article: WG-738-04079
3,09 € ohne Abbildung
Teil 40 VERTIKUTIERMESSER:FIXIERT
Art.Nr.: WG-781-04016B
Part 40 BLADE:FIXED
Article no.: WG-781-04016B
Partie 40 LAME SCARIFICATEUR
Numéro d'article: WG-781-04016B
3,69 € Teil 40 VERTIKUTIERMESSER:FIXIERT Art.Nr.: WG-781-04016B
Teil 41 DISTANZSTÜCK:MESSER:FIXIERT
Art.Nr.: WG-750-04190
Part 41 BLADE SPACER
Article no.: WG-750-04190
Partie 41 ENTRETOISE: LAME: FIXEE
Numéro d'article: WG-750-04190
4,43 € ohne Abbildung
Teil 42 MUTTER M18X1,5 LINKSGEW.
Art.Nr.: WG-712-04053
Part 42 NUT:M18X1.5 LH THREAD
Article no.: WG-712-04053
Partie 42 ECROU M18X1.5
Numéro d'article: WG-712-04053
8,02 € ohne Abbildung
Teil 43 SICHERUNGSSCHEIBE: DIN W-493
Art.Nr.: WG-736-04114
Part 43 WASH:SAF:DIN W-493
Article no.: WG-736-04114
Partie 43 RONDELLE D¨ARR¤T:DIN W-493
Numéro d'article: WG-736-04114
3,36 € Teil 43 SICHERUNGSSCHEIBE: DIN W-493 Art.Nr.: WG-736-04114
Teil 44 DISTANZSTÜCK:WELLE :6KANT
Art.Nr.: WG-750-04196
Part 44 SPACER
Article no.: WG-750-04196
Partie 44 ENTRETOISE
Numéro d'article: WG-750-04196
4,56 € Teil 44 DISTANZSTÜCK:WELLE :6KANT Art.Nr.: WG-750-04196
Teil 45 DISTANZHÜLSE:LAGER
Art.Nr.: WG-750-04201
Part 45 SPACER
Article no.: WG-750-04201
Partie 45 DOUILLE DE DISTANCE
Numéro d'article: WG-750-04201
9,09 € ohne Abbildung
Teil 46 LAUFRAD KPL:160mm:GLEITLAGER
Art.Nr.: WG-734-04202
Part 46 WHL:COMPL:160mm
Article no.: WG-734-04202
Partie 46 ROUE:COMPL.160mm
Numéro d'article: WG-734-04202
25,32 €**ohne Abbildung
Teil 46a RAD:K0MPL:Ò160mm GLEITLAGER
Art.Nr.: WG-734-1884
Part 46a WHL:COMPL:160mm:PLAS
Article no.: WG-734-1884
Partie 46a ROUE AVANT E38W/E38Z/YM 13-13
Numéro d'article: WG-734-1884
25,32 €**ohne Abbildung
Teil 47 BEULENSCHRAUBBLENDE -G-
Art.Nr.: WG-720-0343
Part 47 HUBCP:WHL DIA 160/185
Article no.: WG-720-0343
Partie 47 ENJOLIVEUR -G-
Numéro d'article: WG-720-0343
5,70 € ohne Abbildung
Teil 49 RADBOLZEN:11.95x43.00:M8 -CG-
Art.Nr.: WG-738-1031
Part 49 SCR:SHLDR:11.95x43.00:M8
Article no.: WG-738-1031
Partie 49 BOULON / ROUE
Numéro d'article: WG-738-1031
13,09 € Teil 49 RADBOLZEN:11.95x43.00:M8  -CG- Art.Nr.: WG-738-1031
Teil 50 RADPLATTE 3fache Verst. -CGV-
Art.Nr.: WG-782-0609
Part 50 PLT:WHL 079.30.595
Article no.: WG-782-0609
Partie 50 PLAQUE AJUSTEMENT 3 FOIS RENF
Numéro d'article: WG-782-0609
9,29 € Teil 50 RADPLATTE 3fache Verst.  -CGV- Art.Nr.: WG-782-0609
Teil 51 LAUFRAD KPL:130mm:GLEITLAGER
Art.Nr.: WG-734-04201
Part 51 WHL:COMPL:130mm
Article no.: WG-734-04201
Partie 51 ROUE
Numéro d'article: WG-734-04201
16,31 € Teil 51 LAUFRAD KPL:130mm:GLEITLAGER Art.Nr.: WG-734-04201
Teil 51A RAD KOMPL:Ò130mm
Art.Nr.: WG-734-1885
Part 51A WHL:COMPL:130mm:PLAS
Article no.: WG-734-1885
Partie 51A ROUE COMPL.
Numéro d'article: WG-734-1885
16,31 € ohne Abbildung
Teil 52 BEULENSCHRAUBBLENDE - RAD Ò130
Art.Nr.: WG-720-0342
Part 52 WHEEL CAP
Article no.: WG-720-0342
Partie 52 COUVERCLE
Numéro d'article: WG-720-0342
4,58 € Teil 52 BEULENSCHRAUBBLENDE - RAD Ò130 Art.Nr.: WG-720-0342
Teil 53 U-SCHEIBE:0.526x0.940x0.049
Art.Nr.: WG-736-0160
Part 53 WASH:FLAT:0.526x0.940x0.049
Article no.: WG-736-0160
Partie 53 RONDELLE 536 IDX.930ODX.050
Numéro d'article: WG-736-0160
2,88 € ohne Abbildung
Teil 55 LINSEN-BLECHSCHRAUBE DIN 7981
Art.Nr.: WG-710-1350
Part 55 Screw
Article no.: WG-710-1350
Partie 55 VIS
Numéro d'article: WG-710-1350
2,84 € ohne Abbildung
Teil 56 SCHEIBE A4,3 DIN 9021-ST
Art.Nr.: WG-736-0697
Part 56 PLAIN WASHER
Article no.: WG-736-0697
Partie 56 RONDELLE
Numéro d'article: WG-736-0697
2,18 € ohne Abbildung
Teil 57 FÄCHERSCHEIBE A4,3 DIN 6798-ST
Art.Nr.: WG-736-0698
Part 57 SERRATED LOCK WASHER
Article no.: WG-736-0698
Partie 57 RONDELLE
Numéro d'article: WG-736-0698
3,00 € ohne Abbildung
Teil 58 PLASTITE-SCHRAUBE verz.
Art.Nr.: WG-710-1781
Part 58 SCREW
Article no.: WG-710-1781
Partie 58 VIS
Numéro d'article: WG-710-1781
3,48 € ohne Abbildung
Teil 59 U-SCHEIBE:8x16x1.6:ISO 7089
Art.Nr.: WG-736-0700
Part 59 WASH:FLAT:8X16X1.6:ISO 7089
Article no.: WG-736-0700
Partie 59 RONDELLE A8.4 DIN 125
Numéro d'article: WG-736-0700
2,37 € Teil 59 U-SCHEIBE:8x16x1.6:ISO 7089 Art.Nr.: WG-736-0700
Teil 62 RAHMEN FÜR GRASFANGSACK VERLÄN
Art.Nr.: WG-764-04011A
Part 62 FRAME
Article no.: WG-764-04011A
Partie 62 MONTURE
Numéro d'article: WG-764-04011A
27,83 €**ohne Abbildung
inkl. 19 % MwSt. Steuer-Info
zzgl. Versandkosten
Lieferzeit: 3-10 Werktage*
In den Warenkorb

Wenn Sie Hilfe zu einer Störung Ihres MTD Gerätes benötigen, nehmen Sie einfach Kontakt zu uns auf. Sie können gerne auch eine Nachricht per WhatsApp an 0152 560 383 53 senden. Wir helfen Ihnen gerne!

Alle aufgelisteten Ersatzteile sind original MTD Ersatzteile.

Alle Artikel aus der Kategorie Ersatzteile Golf Elektrovertikutierer 30 VEP Typ: 16AF11CA638 (2006)

Bitte beachten Sie, dass Elektro MTD Ersatzteile nur von Elektrofachkräften nach Vorgabe des Herstellers unter Berücksichtigung der gesetzlichen Vorschriften ersetzt werden dürfen.

Info zu GPSR: Stanley Black & Decker Deutschland GmbH Black-&-Decker-Strasse 40, 65510 Idstein support@blackanddecker.de

    Kategorien
    Ersatzteil-Fee

    Die Ersatzteilfee

    Das rege Interesse an dem Angebot in meinem Onlineshop hat mir gezeigt, dass die Zufriedenheit meiner Kunden sehr groß ist. Zahlreiche positive Kundenmeinungen bestätigen den gut sortierten Aufbau des Shops, die gute Beratung und den zügigen Versand. Mehr über mich...

    Wir helfen Ihnen gerne, das richtige Ersatzteil zu finden. Dazu können Sie uns auch gerne Anfragen oder Fotos vom Ersatzteil/Gerät auf das Handy 0152 560 383 53
    per WhatsApp senden. SMS Nachrichten können nicht empfangen werden!


    Info zur Mehrwertsteuer

    Lieferland wählen

    Wählen Sie das Lieferland aus, um die Preise inkl. MwSt. abhängig von der Lieferadresse angezeigt zu bekommen.



    Die im Shop angegebenen Preise sind in Euro inkl. der deutschen Mehrwertsteuer angegeben.
    Für Bestellungen aus einem anderen EU-Land muss die dort geltende Mehrwertsteuer berechnet werden. Wenn Sie im Warenkorb das Lieferland auswählen, wird Ihnen auch der korrekte Mehrwertsteuersatz zu Ihrem EU-Land angezeigt.