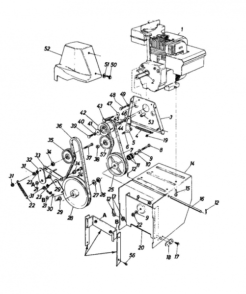
Ersatzteile Blizzard Schneefräsen Twin 8-66 Typ: 317-3830 (1987) Fahrantrieb, Fräsantrieb
Für eine größere Ansicht klicken Sie auf das Vorschaubild

Ersatzteile Blizzard Schneefräsen Twin 8-66 Typ: 317-3830 (1987) Fahrantrieb, Fräsantrieb

MTD
MTD Art.Nr.: A1986-87-579-02
Hier können Sie Ersatzteile Blizzard Schneefräsen Twin 8-66 Typ: 317-3830 (1987) Fahrantrieb, Fräsantrieb einfach online kaufen.

In der Skizze sind die Teile mit einer Zahl gekennzeichnet. Diese finden Sie in der Tabelle wieder und können so das Ersatzteil aus der Tabelle auswählen und online kaufen.


Ersatzteil
deutschenglishfrench
PreisBildkaufen
Teil 2 VIERKANTKEIL:1/4 x 1/4:2.00
Art.Nr.: WG-714-0114
Part 2 KEY:SQ:1/4:2.00
Article no.: WG-714-0114
Partie 2 CLAVETTE
Numéro d'article: WG-714-0114
5,24 € Teil 2 VIERKANTKEIL:1/4 x 1/4:2.00 Art.Nr.: WG-714-0114
Teil 4 ZUGFEDER:.50 DIA x 3.97 LG
Art.Nr.: WG-732-0429A
Part 4 SPR:EXTN:.50 DIA X 3.97 LG
Article no.: WG-732-0429A
Partie 4 RESSORT
Numéro d'article: WG-732-0429A
9,64 € Teil 4 ZUGFEDER:.50 DIA x 3.97 LG Art.Nr.: WG-732-0429A
Teil 6 6KT-SCHR.3/8-24:1.25:GR8:STD
Art.Nr.: WG-710-0191
Part 6 HHCS:3/8-24:1.25:GR8:STD
Article no.: WG-710-0191
Partie 6 VIS HEX. 3/8-24:1.25:GR8:SPEC
Numéro d'article: WG-710-0191
6,61 € ohne Abbildung
Teil 7 KEILRIEMEN 3/8X29"
Art.Nr.: WG-754-0256
Part 7 BELT-V
Article no.: WG-754-0256
Partie 7 COURROIE 3/8 X 29"
Numéro d'article: WG-754-0256
55,31 €**ohne Abbildung
Teil 8 SKT-SCHR.3/8-24X1.50" GR.5
Art.Nr.: WG-710-0459
Part 8 HHCS:3/8-24:1.5:GR5:STD
Article no.: WG-710-0459
Partie 8 VIS
Numéro d'article: WG-710-0459
3,48 € ohne Abbildung
Teil 8 SKT-SCHR.3/8-24X1.50" GR.5
Art.Nr.: WG-710-0459
Part 8 HHCS:3/8-24:1.5:GR5:STD
Article no.: WG-710-0459
Partie 8 VIS
Numéro d'article: WG-710-0459
3,48 € ohne Abbildung
Teil 9 TELLERFEDER:.375X0.880X0.060
Art.Nr.: WG-736-0105
Part 9 WASH:BLVL:0.375X0.880X0.060
Article no.: WG-736-0105
Partie 9 RONDELLE CONIQUE
Numéro d'article: WG-736-0105
3,09 € Teil 9 TELLERFEDER:.375X0.880X0.060 Art.Nr.: WG-736-0105
Teil 9 TELLERFEDER:.375X0.880X0.060
Art.Nr.: WG-736-0105
Part 9 WASH:BLVL:0.375X0.880X0.060
Article no.: WG-736-0105
Partie 9 RONDELLE CONIQUE
Numéro d'article: WG-736-0105
3,09 € Teil 9 TELLERFEDER:.375X0.880X0.060 Art.Nr.: WG-736-0105
Teil 11 KUGELLAGER.62x1.38x43:1623:DS
Art.Nr.: WG-741-0155
Part 11 BRG:BALL:.62x1.38x.43:1623:DS
Article no.: WG-741-0155
Partie 11 ROULEMENT 625X1;375 "
Numéro d'article: WG-741-0155
18,11 € ohne Abbildung
Teil 12 SPLINT:3/32 X .750
Art.Nr.: WG-714-0507
Part 12 PIN:COT:3/32 X .750
Article no.: WG-714-0507
Partie 12 GOUPILLE FENDUE 3/32 X .750
Numéro d'article: WG-714-0507
2,83 € Teil 12 SPLINT:3/32 X .750 Art.Nr.: WG-714-0507
Teil 13 U-SCHEIBE:0.505x1.015x0.060
Art.Nr.: WG-736-0272
Part 13 WASH:FLAT:0.505X1.015X0.060
Article no.: WG-736-0272
Partie 13 RONDELLE .510x1.00X.060
Numéro d'article: WG-736-0272
2,88 € Teil 13 U-SCHEIBE:0.505x1.015x0.060 Art.Nr.: WG-736-0272
Teil 15 6KT-SCHR:3/8-16:1.250:HXLWSH
Art.Nr.: WG-710-0502A
Part 15 SCR:TTSEMS:3/8-16:1.250:HXLWSH
Article no.: WG-710-0502A
Partie 15 VIS HEX. 3/8-16:1.250 LG.
Numéro d'article: WG-710-0502A
8,84 € Teil 15 6KT-SCHR:3/8-16:1.250:HXLWSH Art.Nr.: WG-710-0502A
Teil 17 6KT-SCHRAUBE:TT:1/4-20:0.500
Art.Nr.: WG-710-0599
Part 17 SCREW:TT:1/4-20:0.500:HXINDWSH
Article no.: WG-710-0599
Partie 17 VIS A SIX PANS CREUX
Numéro d'article: WG-710-0599
4,58 € Teil 17 6KT-SCHRAUBE:TT:1/4-20:0.500 Art.Nr.: WG-710-0599
Teil 17 6KT-SCHRAUBE:TT:1/4-20:0.500
Art.Nr.: WG-710-0599
Part 17 SCREW:TT:1/4-20:0.500:HXINDWSH
Article no.: WG-710-0599
Partie 17 VIS A SIX PANS CREUX
Numéro d'article: WG-710-0599
4,58 € Teil 17 6KT-SCHRAUBE:TT:1/4-20:0.500 Art.Nr.: WG-710-0599
Teil 21 TELLERFEDER:.389 x 1.120 x.030
Art.Nr.: WG-736-0219
Part 21 WASH:BELL:.389 x 1.120 x.030
Article no.: WG-736-0219
Partie 21 RONDELLE
Numéro d'article: WG-736-0219
3,14 € ohne Abbildung
Teil 23 FEDERRING 3/8"
Art.Nr.: WG-736-0169
Part 23 WASH:LOCK:3/8:REGULAR DUTY
Article no.: WG-736-0169
Partie 23 BAGUE ÜLASTIQUE
Numéro d'article: WG-736-0169
2,56 € Teil 23 FEDERRING 3/8
Teil 23 FEDERRING 3/8"
Art.Nr.: WG-736-0169
Part 23 WASH:LOCK:3/8:REGULAR DUTY
Article no.: WG-736-0169
Partie 23 BAGUE ÜLASTIQUE
Numéro d'article: WG-736-0169
2,56 € Teil 23 FEDERRING 3/8
Teil 24 6KT-SCHR:3/8-16:1.25:GR5
Art.Nr.: WG-710-0723
Part 24 HHCS:3/8-16:1.25:GR5:SHORTHEAD
Article no.: WG-710-0723
Partie 24 VIS HEXAGONALE
Numéro d'article: WG-710-0723
6,39 € ohne Abbildung
Teil 27 U-SCHEIBE:0.630 x0.940 x0.060
Art.Nr.: WG-736-0116
Part 27 WASHER:FLAT:0.630 x.940 x0.060
Article no.: WG-736-0116
Partie 27 RONDELLE
Numéro d'article: WG-736-0116
3,31 € ohne Abbildung
Teil 29 6KT-SHLT-SCHR:.625x.165:3/8-16
Art.Nr.: WG-738-0281
Part 29 SCR:SHLDR:0.625X0.165:3/8-16
Article no.: WG-738-0281
Partie 29 VIS ¡ ÜPAULE:.625 x.17:3/8-16
Numéro d'article: WG-738-0281
9,09 € ohne Abbildung
Teil 31 SKT-STOP-MUTTER 3/8-16"
Art.Nr.: WG-712-0342
Part 31 NUT-HEX CENTER L-JAM
Article no.: WG-712-0342
Partie 31 ECROU
Numéro d'article: WG-712-0342
2,84 € ohne Abbildung
Teil 34 BUNDSCHEIBE:0.381x0.625x0.169
Art.Nr.: WG-738-0347
Part 34 SPCR:SHLDR:0.381X0.625X0.169
Article no.: WG-738-0347
Partie 34 RONDELLE ¡ EMB. .625IDx.169
Numéro d'article: WG-738-0347
4,58 € Teil 34 BUNDSCHEIBE:0.381x0.625x0.169 Art.Nr.: WG-738-0347
Teil 36 KEILRIEMEN 1/2X38.7"
Art.Nr.: WG-754-0282
Part 36 BELT-V
Article no.: WG-754-0282
Partie 36 COURROIE 1/2 X 38,7"
Numéro d'article: WG-754-0282
48,96 €**ohne Abbildung
Teil 38 6KT-S-MUTTER:3/8-24:GR2:NYLON
Art.Nr.: WG-712-0116
Part 38 NUT:JAMLK:3/8-24:GR2:NYLON
Article no.: WG-712-0116
Partie 38 ECROU HEXAGONAL: 3/8-24:GR5:
Numéro d'article: WG-712-0116
3,69 € ohne Abbildung
Teil 42 KEILRIEMENSCHEIBE 2-STUF.
Art.Nr.: WG-756-0241
Part 42 USE 756-0241B
Article no.: WG-756-0241
Partie 42 VOIR 756-0241B
Numéro d'article: WG-756-0241
104,02 €**ohne Abbildung
Teil 44 SECHSKANTSCHRAUBE
Art.Nr.: WG-710-0117A
Part 44 BOLT
Article no.: WG-710-0117A
Partie 44 VOIR 710-0888
Numéro d'article: WG-710-0117A
2,95 € Teil 44 SECHSKANTSCHRAUBE Art.Nr.: WG-710-0117A
Teil 45 FEDERRING:5/16" NORMALAUSF.
Art.Nr.: WG-736-0119
Part 45 WASHER:LOCK:5/16:SPLT:REG
Article no.: WG-736-0119
Partie 45 RONDELLE
Numéro d'article: WG-736-0119
3,09 € Teil 45 FEDERRING:5/16
Teil 45 FEDERRING:5/16" NORMALAUSF.
Art.Nr.: WG-736-0119
Part 45 WASHER:LOCK:5/16:SPLT:REG
Article no.: WG-736-0119
Partie 45 RONDELLE
Numéro d'article: WG-736-0119
3,09 € Teil 45 FEDERRING:5/16
Teil 46 SCHULTERBUCHSE:0.315X0.50X0.14
Art.Nr.: WG-748-0234
Part 46 SPCR:SHLDR:0.315X0.500X0.140
Article no.: WG-748-0234
Partie 46 RONDELLE EPAULEE
Numéro d'article: WG-748-0234
5,58 € ohne Abbildung
Teil 48 6KT-SCHR:5/16-24:0.63:GR5:STD
Art.Nr.: WG-710-0237
Part 48 HHCS:5/16-24:0.63:GR5:STD
Article no.: WG-710-0237
Partie 48 VIS HEX. 5/16-24X.625:GR5:STD
Numéro d'article: WG-710-0237
5,58 € ohne Abbildung
Teil 51 U-SCHEIBE:0.276 x0.749 x0.063
Art.Nr.: WG-736-0173
Part 51 WASH:FLAT:0.276x0.749x0.063
Article no.: WG-736-0173
Partie 51 RONDELLE 281DX 74ODX.063
Numéro d'article: WG-736-0173
2,68 € ohne Abbildung
Teil 56 6KT-BLECHSCHR:TT:3/8-16:0.75
Art.Nr.: WG-710-0623
Part 56 SCR:TT:3/8-16:.75:HXINDWSH
Article no.: WG-710-0623
Partie 56 VIS PARK. HEX.:TT:3/8-16:0.750
Numéro d'article: WG-710-0623
5,35 € ohne Abbildung
Teil 56 ZÜNDSCHLÜSSEL
Art.Nr.: WG-TC-35062
Part 56 KEY STARTER
Article no.: WG-TC-35062
Partie 56 CLEF
Numéro d'article: WG-TC-35062
5,52 € ohne Abbildung
inkl. 19 % MwSt. Steuer-Info
zzgl. Versandkosten
Lieferzeit: 3-10 Werktage*
In den Warenkorb

Wenn Sie Hilfe zu einer Störung Ihres MTD Gerätes benötigen, nehmen Sie einfach Kontakt zu uns auf. Sie können gerne auch eine Nachricht per WhatsApp an 0152 560 383 53 senden. Wir helfen Ihnen gerne!

Alle aufgelisteten Ersatzteile sind original MTD Ersatzteile.

Alle Artikel aus der Kategorie Ersatzteile Blizzard Schneefräsen Twin 8-66 Typ: 317-3830 (1987)

Bitte beachten Sie, dass Elektro MTD Ersatzteile nur von Elektrofachkräften nach Vorgabe des Herstellers unter Berücksichtigung der gesetzlichen Vorschriften ersetzt werden dürfen.

Info zu GPSR: Stanley Black & Decker Deutschland GmbH Black-&-Decker-Strasse 40, 65510 Idstein support@blackanddecker.de

    Kategorien
    Ersatzteil-Fee

    Die Ersatzteilfee

    Das rege Interesse an dem Angebot in meinem Onlineshop hat mir gezeigt, dass die Zufriedenheit meiner Kunden sehr groß ist. Zahlreiche positive Kundenmeinungen bestätigen den gut sortierten Aufbau des Shops, die gute Beratung und den zügigen Versand. Mehr über mich...

    Wir helfen Ihnen gerne, das richtige Ersatzteil zu finden. Dazu können Sie uns auch gerne Anfragen oder Fotos vom Ersatzteil/Gerät auf das Handy 0152 560 383 53
    per WhatsApp senden. SMS Nachrichten können nicht empfangen werden!


    Info zur Mehrwertsteuer

    Lieferland wählen

    Wählen Sie das Lieferland aus, um die Preise inkl. MwSt. abhängig von der Lieferadresse angezeigt zu bekommen.



    Die im Shop angegebenen Preise sind in Euro inkl. der deutschen Mehrwertsteuer angegeben.
    Für Bestellungen aus einem anderen EU-Land muss die dort geltende Mehrwertsteuer berechnet werden. Wenn Sie im Warenkorb das Lieferland auswählen, wird Ihnen auch der korrekte Mehrwertsteuersatz zu Ihrem EU-Land angezeigt.