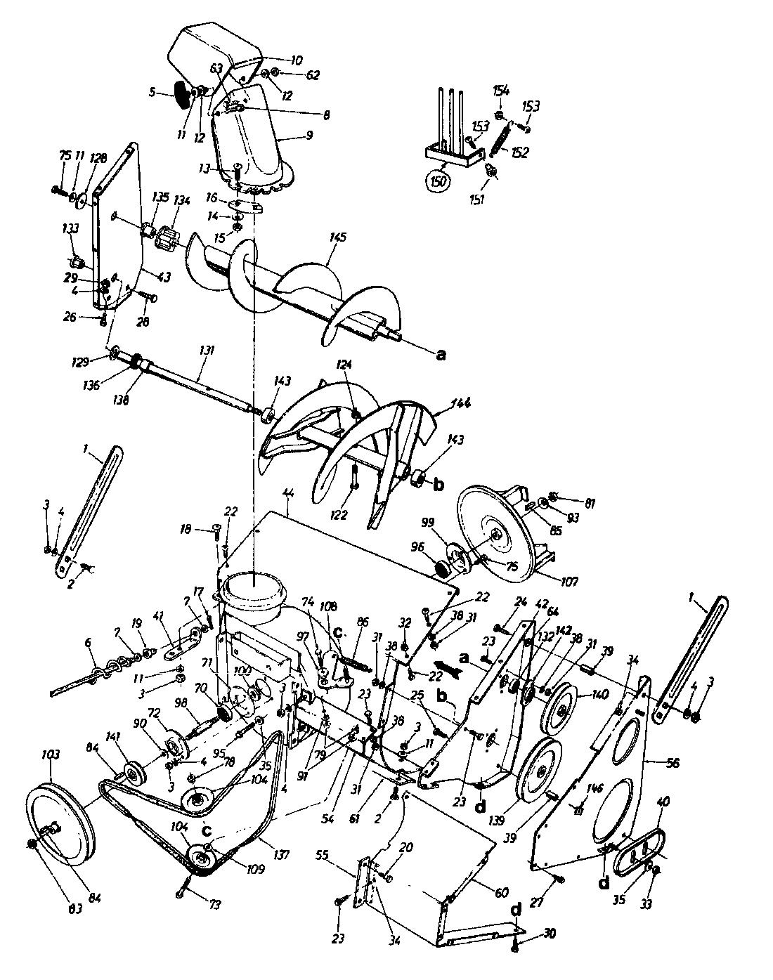
Ersatzteile Blizzard Schneefräsen Twin 8-66 Typ: 310-3850  (1990) Fräsgehäuse, Schnecke, Schneckengetriebe
Für eine größere Ansicht klicken Sie auf das Vorschaubild

Ersatzteile Blizzard Schneefräsen Twin 8-66 Typ: 310-3850 (1990) Fräsgehäuse, Schnecke, Schneckengetriebe

MTD
MTD Art.Nr.: A1989-90-1602-01
Hier können Sie Ersatzteile Blizzard Schneefräsen Twin 8-66 Typ: 310-3850 (1990) Fräsgehäuse, Schnecke, Schneckengetriebe einfach online kaufen.

In der Skizze sind die Teile mit einer Zahl gekennzeichnet. Diese finden Sie in der Tabelle wieder und können so das Ersatzteil aus der Tabelle auswählen und online kaufen.


Ersatzteil
deutschenglishfrench
PreisBildkaufen
Teil 2 FL.RUNDSCHR.5/16-18X.62"
Art.Nr.: WG-710-0260
Part 2 BOLT-CARRIAGE
Article no.: WG-710-0260
Partie 2 BOULON 5/16-18x;62"
Numéro d'article: WG-710-0260
2,56 € ohne Abbildung
Teil 4 FEDERRING:5/16" NORMALAUSF.
Art.Nr.: WG-736-0119
Part 4 WASHER:LOCK:5/16:SPLT:REG
Article no.: WG-736-0119
Partie 4 RONDELLE
Numéro d'article: WG-736-0119
3,09 € Teil 4 FEDERRING:5/16
Teil 5
Art.Nr.: WG-09966
Part 5
Article no.: WG-09966
Partie 5
Numéro d'article: WG-09966
4,58 € ohne Abbildung
Teil 7 U-SCHEIBE:0.380x0.630x0.063
Art.Nr.: WG-736-0140
Part 7 WASH:FLAT:0.380x0.630x0.063
Article no.: WG-736-0140
Partie 7 RONDELLE .385 ID X .62 OD
Numéro d'article: WG-736-0140
3,09 € ohne Abbildung
Teil 8 FL-RUNDSCHR:5/16-18:1.00:GR5
Art.Nr.: WG-710-0276
Part 8 BOLT:CRG:5/16-18:1.00:GR5:STD
Article no.: WG-710-0276
Partie 8 VIS A TETE PLATE: 5/16-18:1.00
Numéro d'article: WG-710-0276
3,31 € ohne Abbildung
Teil 9 AUSWURFSCHACHT
Art.Nr.: WG-731-0923
Part 9 CHUTE
Article no.: WG-731-0923
Partie 9 CANAL D ÜJECTION
Numéro d'article: WG-731-0923
47,57 €**ohne Abbildung
Teil 10 AUSBLASKLAPPE
Art.Nr.: WG-731-0846B
Part 10 FLAP
Article no.: WG-731-0846B
Partie 10 CLAPET
Numéro d'article: WG-731-0846B
63,69 €**ohne Abbildung
Teil 11 TELLERFEDER:0.336X0.885X.060
Art.Nr.: WG-736-0242
Part 11 WASH:BLVL:0.336X0.885X0.060
Article no.: WG-736-0242
Partie 11 RONDELLE CONIQUE.340X.872X.060
Numéro d'article: WG-736-0242
3,74 € Teil 11 TELLERFEDER:0.336X0.885X.060 Art.Nr.: WG-736-0242
Teil 12 U-SCHEIBE:0.339x1.140x0.120
Art.Nr.: WG-736-0231
Part 12 WASH:FLAT:0.339x1.140x0.120
Article no.: WG-736-0231
Partie 12 RONDELLE 344IDX1.125 OD .12
Numéro d'article: WG-736-0231
3,14 € ohne Abbildung
Teil 13 HALB-RD-SCHR:1/4-20:.750:BTN
Art.Nr.: WG-710-0255
Part 13 SCR:MACH:1/4-20:0.75:ALLOY:BTN
Article no.: WG-710-0255
Partie 13 VIS
Numéro d'article: WG-710-0255
2,68 € ohne Abbildung
Teil 13 HALB-RD-SCHR:1/4-20:.750:BTN
Art.Nr.: WG-710-0255
Part 13 SCR:MACH:1/4-20:0.75:ALLOY:BTN
Article no.: WG-710-0255
Partie 13 VIS
Numéro d'article: WG-710-0255
2,68 € ohne Abbildung
Teil 14 U-SCHEIBE:0.276x0.515x0.063
Art.Nr.: WG-736-0142
Part 14 WASH:FLAT:0.276X0.515x0.063
Article no.: WG-736-0142
Partie 14 RONDELLE PLATE 1/4X.500X . 063
Numéro d'article: WG-736-0142
3,09 € ohne Abbildung
Teil 17 SPLINT:3/32 X .750
Art.Nr.: WG-714-0507
Part 17 PIN:COT:3/32 X .750
Article no.: WG-714-0507
Partie 17 GOUPILLE FENDUE 3/32 X .750
Numéro d'article: WG-714-0507
2,83 € Teil 17 SPLINT:3/32 X .750 Art.Nr.: WG-714-0507
Teil 18 FL.-RUNDSCHR:5/16-18:0.75 GR5
Art.Nr.: WG-710-0451
Part 18 BOLT:CRG:5/16-18:0.75:GR5:STD
Article no.: WG-710-0451
Partie 18 VIS A TETE P.:5/16-18:.750 GR1
Numéro d'article: WG-710-0451
3,21 € Teil 18 FL.-RUNDSCHR:5/16-18:0.75 GR5 Art.Nr.: WG-710-0451
Teil 19 PLASTIK-SCHNAPPLAGER:.385 ID
Art.Nr.: WG-741-0475
Part 19 BRG:FLG:SNAP .385 ID
Article no.: WG-741-0475
Partie 19 DOUILLE PLASTIQUE:.385 ID
Numéro d'article: WG-741-0475
4,79 € Teil 19 PLASTIK-SCHNAPPLAGER:.385 ID Art.Nr.: WG-741-0475
Teil 22 FLK-SCHRAUBE:1/4-20:0.500:PAN
Art.Nr.: WG-710-0286
Part 22 SCREW
Article no.: WG-710-0286
Partie 22 VIS
Numéro d'article: WG-710-0286
2,73 € ohne Abbildung
Teil 23 SKT-SCHR.1/4-20X.50"
Art.Nr.: WG-710-0289
Part 23 HHCS:1/4-20:.50:GR2:STD
Article no.: WG-710-0289
Partie 23 VIS
Numéro d'article: WG-710-0289
9,62 € ohne Abbildung
Teil 24 FL.RUNDSCHR.5/16-18:1.75": GR1
Art.Nr.: WG-710-0458
Part 24 BOLT:CRG:5/16-18:1.75:GR1
Article no.: WG-710-0458
Partie 24 VIS A TET PL.:5/16-18:1.75":G1
Numéro d'article: WG-710-0458
9,48 € ohne Abbildung
Teil 26 6KT-SCHR.5/16-18:.75:GR2:STD
Art.Nr.: WG-710-0118
Part 26 HHCS:5/16-18:.75:GR2:STD
Article no.: WG-710-0118
Partie 26 VIS
Numéro d'article: WG-710-0118
2,68 € ohne Abbildung
Teil 27 6KT-SCHRAUBE:TT:1/4-20:0.375
Art.Nr.: WG-710-0653
Part 27 SCREW:TT:1/4-20:0.375:HXINDWSH
Article no.: WG-710-0653
Partie 27 VIS A SIX PANS CREUX
Numéro d'article: WG-710-0653
3,88 € Teil 27 6KT-SCHRAUBE:TT:1/4-20:0.375 Art.Nr.: WG-710-0653
Teil 28 FL-RD-SCHR.3/8-16:.750:GR5
Art.Nr.: WG-710-0389
Part 28 BOLT:CRG:3/8-16:.750:GR5
Article no.: WG-710-0389
Partie 28 VIS A TETE PLATE
Numéro d'article: WG-710-0389
7,37 € ohne Abbildung
Teil 30 6KT-SCHR:AB:5/16-12:0.750
Art.Nr.: WG-710-0726
Part 30 SCR:AB:5/16-12:0.750:HXINDWSH
Article no.: WG-710-0726
Partie 30 VIS 5/16-12:0.750:HXINDWS
Numéro d'article: WG-710-0726
3,09 € Teil 30 6KT-SCHR:AB:5/16-12:0.750 Art.Nr.: WG-710-0726
Teil 31 6KT-MUTTER:1/4-20:GR2
Art.Nr.: WG-712-0287
Part 31 NUT:HEX:1/4-20:GR2
Article no.: WG-712-0287
Partie 31 ECROU HEXAGONAL 1/4-20:GR2
Numéro d'article: WG-712-0287
2,73 € ohne Abbildung
Teil 32 6KT-S-MUTTER:1/4-20:GR8:NYLON
Art.Nr.: WG-712-0324
Part 32 NUT:HEXLK:1/4-20:GR8:NYLON
Article no.: WG-712-0324
Partie 32 ECROU HEX.:1/4-20:GR8:NYLON
Numéro d'article: WG-712-0324
3,31 € ohne Abbildung
Teil 33 SKT-STOP-MUTTER 3/8-16"
Art.Nr.: WG-712-0342
Part 33 NUT-HEX CENTER L-JAM
Article no.: WG-712-0342
Partie 33 ECROU
Numéro d'article: WG-712-0342
2,84 € ohne Abbildung
Teil 35 TELLERFEDER:.375X0.880X0.060
Art.Nr.: WG-736-0105
Part 35 WASH:BLVL:0.375X0.880X0.060
Article no.: WG-736-0105
Partie 35 RONDELLE CONIQUE
Numéro d'article: WG-736-0105
3,09 € Teil 35 TELLERFEDER:.375X0.880X0.060 Art.Nr.: WG-736-0105
Teil 38 FEDERRING:1/4" NORMALAUSF.
Art.Nr.: WG-736-0329
Part 38 WASH:LOCK:1/4:SPLT:REG
Article no.: WG-736-0329
Partie 38 RONDELLE GROWER
Numéro d'article: WG-736-0329
2,95 € ohne Abbildung
Teil 62 6KT-S-MUTTER:5/16-18:GRA:CTRLK
Art.Nr.: WG-712-0158
Part 62 NUT:HEXLK:5/16-18:GRA:CTRLK
Article no.: WG-712-0158
Partie 62 ECROU EX AF-43064
Numéro d'article: WG-712-0158
6,14 € ohne Abbildung
Teil 63 FLK-SCHR:5/16-18:0.750:TRUSPHI
Art.Nr.: WG-710-0323
Part 63 SCREW
Article no.: WG-710-0323
Partie 63 VIS
Numéro d'article: WG-710-0323
3,31 € ohne Abbildung
Teil 64 ZACKENRING:5/16-18
Art.Nr.: WG-726-0201
Part 64 RET:PUSH-ON:BOLT:5/16-18
Article no.: WG-726-0201
Partie 64 RONDELLE .3125 ID
Numéro d'article: WG-726-0201
2,68 € Teil 64 ZACKENRING:5/16-18 Art.Nr.: WG-726-0201
Teil 70 KUGELLAGER:.787IDx1.85OD x.551
Art.Nr.: WG-741-0919B
Part 70 BRG:BALL:.787IDx1.85ODx.551
Article no.: WG-741-0919B
Partie 70 ROULEMENT ¡ BILLES
Numéro d'article: WG-741-0919B
30,00 €**Teil 70 KUGELLAGER:.787IDx1.85OD x.551 Art.Nr.: WG-741-0919B
Teil 70 KUGELLAGER:.787IDx1.85OD x.551
Art.Nr.: WG-741-0919B
Part 70 BRG:BALL:.787IDx1.85ODx.551
Article no.: WG-741-0919B
Partie 70 ROULEMENT ¡ BILLES
Numéro d'article: WG-741-0919B
30,00 €**Teil 70 KUGELLAGER:.787IDx1.85OD x.551 Art.Nr.: WG-741-0919B
Teil 73 SKT-SCHR.3/8-24X1.50" GR.5
Art.Nr.: WG-710-0459
Part 73 HHCS:3/8-24:1.5:GR5:STD
Article no.: WG-710-0459
Partie 73 VIS
Numéro d'article: WG-710-0459
3,48 € ohne Abbildung
Teil 74 6KT-SCHR.3/8-24:1.25:GR8:STD
Art.Nr.: WG-710-0191
Part 74 HHCS:3/8-24:1.25:GR8:STD
Article no.: WG-710-0191
Partie 74 VIS HEX. 3/8-24:1.25:GR8:SPEC
Numéro d'article: WG-710-0191
6,61 € ohne Abbildung
Teil 75 6KT-SCHR:5/16-18:1.00:GR5:STD
Art.Nr.: WG-710-0376
Part 75 HHCS:5/16-18:1.00:GR5:STD
Article no.: WG-710-0376
Partie 75 VIS HEX.:5/16-18:1.00:GR5:STD
Numéro d'article: WG-710-0376
7,55 € Teil 75 6KT-SCHR:5/16-18:1.00:GR5:STD Art.Nr.: WG-710-0376
Teil 78 6KT-S-MUTTER:3/8-24:GR2:NYLON
Art.Nr.: WG-712-0116
Part 78 NUT:JAMLK:3/8-24:GR2:NYLON
Article no.: WG-712-0116
Partie 78 ECROU HEXAGONAL: 3/8-24:GR5:
Numéro d'article: WG-712-0116
3,69 € ohne Abbildung
Teil 79 6KT-MUTTER:3/8-24:GR5
Art.Nr.: WG-712-0241
Part 79 NUT:HEX:3/8-24:GR5
Article no.: WG-712-0241
Partie 79 ECROU HEX.: 3/8-24:GR5
Numéro d'article: WG-712-0241
2,42 € Teil 79 6KT-MUTTER:3/8-24:GR5 Art.Nr.: WG-712-0241
Teil 81 SKT-STOP-MUTTER:5/8-18:GR.2
Art.Nr.: WG-712-0318
Dieses Produkt wird mir leider nicht mehr angeboten
Part 81 NUT:JAM:5/8-18:GR2
Article no.: WG-712-0318
no longer available
Partie 81 ECROU
Numéro d'article: WG-712-0318
plus disponible
ohne Abbildung
Teil 84 PASSFEDER 3/16X3/16X.75"
Art.Nr.: WG-714-0122
Part 84 KEY-SQ 3/16x.75
Article no.: WG-714-0122
Partie 84 CLAVETTE 3/16X3/16X.75"
Numéro d'article: WG-714-0122
11,37 € ohne Abbildung
Teil 85 PASSFEDER 3/16X1.50"
Art.Nr.: WG-714-0133
Part 85 KEY-SQ
Article no.: WG-714-0133
Partie 85 CLAVETTE 3/16X1,5"
Numéro d'article: WG-714-0133
9,76 € ohne Abbildung
Teil 90 SCHEIBE:FLACH:.635x1.125x.090
Art.Nr.: WG-736-0156
Part 90 WASH:FLAT:.625x1.125x.090
Article no.: WG-736-0156
Partie 90 RONDELLE .635x1.125x090 "
Numéro d'article: WG-736-0156
6,10 € ohne Abbildung
Teil 91 FEDERRING 3/8"
Art.Nr.: WG-736-0169
Part 91 WASH:LOCK:3/8:REGULAR DUTY
Article no.: WG-736-0169
Partie 91 BAGUE ÜLASTIQUE
Numéro d'article: WG-736-0169
2,56 € Teil 91 FEDERRING 3/8
Teil 93 TELLERFEDER:.630x1.260x.180 *
Art.Nr.: WG-736-0317
Part 93 WASH:BLVL:0.630x1.260x0.180
Article no.: WG-736-0317
Partie 93 RONDELLE
Numéro d'article: WG-736-0317
7,37 € ohne Abbildung
Teil 97 BUNDSCHEIBE:0.381x0.625x0.169
Art.Nr.: WG-738-0347
Part 97 SPCR:SHLDR:0.381X0.625X0.169
Article no.: WG-738-0347
Partie 97 RONDELLE ¡ EMB. .625IDx.169
Numéro d'article: WG-738-0347
4,58 € Teil 97 BUNDSCHEIBE:0.381x0.625x0.169 Art.Nr.: WG-738-0347
Teil 104 KEILRIEMENSCHEIBE
Art.Nr.: WG-756-0499
Part 104 PULLEY
Article no.: WG-756-0499
Partie 104 POULIE
Numéro d'article: WG-756-0499
44,14 €**ohne Abbildung
Teil 109 SCHEIBE:FL:0.378x1.385x0.135
Art.Nr.: WG-736-0320
Part 109 WASH:FLAT:0.378 x.1.385 x0.135
Article no.: WG-736-0320
Partie 109 RONDELLE PLATE .38x1.38x.125
Numéro d'article: WG-736-0320
4,72 € Teil 109 SCHEIBE:FL:0.378x1.385x0.135 Art.Nr.: WG-736-0320
Teil 122 SKT-SCHR. 5/16-18X1.50"
Art.Nr.: WG-710-0890A
Part 122 BOLT-SHEAR
Article no.: WG-710-0890A
Partie 122 VOIR 710-0890A
Numéro d'article: WG-710-0890A
5,93 € Teil 122 SKT-SCHR. 5/16-18X1.50
Teil 124 6KT-S-MUTTER:5/16-18:GRN5:NYL
Art.Nr.: WG-712-0429
Part 124 NUT:HEXLK:5/16-18:GRN5:NYLON
Article no.: WG-712-0429
Partie 124 ECROU
Numéro d'article: WG-712-0429
4,41 € Teil 124 6KT-S-MUTTER:5/16-18:GRN5:NYL Art.Nr.: WG-712-0429
Teil 128 SCHEIBE:FL:0.320x1.260x0.06:HD
Art.Nr.: WG-736-0362
Part 128 WASH:FLAT:0.320x1.260x0.060:HD
Article no.: WG-736-0362
Partie 128 RONDELLE .320ID X 1.25 ODX .0
Numéro d'article: WG-736-0362
3,74 € Teil 128 SCHEIBE:FL:0.320x1.260x0.06:HD Art.Nr.: WG-736-0362
Teil 132 KUGELLAGER.62x1.38x43:1623:DS
Art.Nr.: WG-741-0155
Part 132 BRG:BALL:.62x1.38x.43:1623:DS
Article no.: WG-741-0155
Partie 132 ROULEMENT 625X1;375 "
Numéro d'article: WG-741-0155
18,11 € ohne Abbildung
Teil 133 6KT-FLANSCHLAGER: x.75 ID
Art.Nr.: WG-741-0245
Part 133 BRG:HEX FLANGE x.75 ID
Article no.: WG-741-0245
Partie 133 BAGUE
Numéro d'article: WG-741-0245
8,99 € Teil 133 6KT-FLANSCHLAGER: x.75 ID Art.Nr.: WG-741-0245
Teil 137 KEILRIEMEN
Art.Nr.: WG-754-0338
Part 137 V-BELT
Article no.: WG-754-0338
Partie 137 COURROIE
Numéro d'article: WG-754-0338
72,44 €**ohne Abbildung
Teil 143 BUCHSE
Art.Nr.: WG-741-0401
Part 143 bush
Article no.: WG-741-0401
Partie 143 DOUILLE
Numéro d'article: WG-741-0401
8,84 € ohne Abbildung
Teil 146 KLEMMSCHEIBE:3/8
Art.Nr.: WG-712-0229
Part 146 NUT:PUSH:3/8
Article no.: WG-712-0229
Partie 146 ECROU
Numéro d'article: WG-712-0229
5,24 € Teil 146 KLEMMSCHEIBE:3/8 Art.Nr.: WG-712-0229
Teil 152 ZUGFEDER:.380 OD x 2.500 LG
Art.Nr.: WG-732-0264
Part 152 SPR:EXTN:.380 OD x 2.500 LG
Article no.: WG-732-0264
Partie 152 RESSORT
Numéro d'article: WG-732-0264
11,58 € Teil 152 ZUGFEDER:.380 OD x 2.500 LG Art.Nr.: WG-732-0264
Teil 154 6KT-S-MUTTER:1/4-20:GRA:CTRLK
Art.Nr.: WG-712-0291
Part 154 NUT:HEXLK:1/4-20:GRA:CTRLK
Article no.: WG-712-0291
Partie 154 ECROU EX AF-43013
Numéro d'article: WG-712-0291
3,03 € ohne Abbildung
inkl. 19 % MwSt. Steuer-Info
zzgl. Versandkosten
Lieferzeit: 3-10 Werktage*
In den Warenkorb

Wenn Sie Hilfe zu einer Störung Ihres MTD Gerätes benötigen, nehmen Sie einfach Kontakt zu uns auf. Sie können gerne auch eine Nachricht per WhatsApp an 0152 560 383 53 senden. Wir helfen Ihnen gerne!

Alle aufgelisteten Ersatzteile sind original MTD Ersatzteile.

Alle Artikel aus der Kategorie Ersatzteile Blizzard Schneefräsen Twin 8-66 Typ: 310-3850 (1990)

Bitte beachten Sie, dass Elektro MTD Ersatzteile nur von Elektrofachkräften nach Vorgabe des Herstellers unter Berücksichtigung der gesetzlichen Vorschriften ersetzt werden dürfen.

Info zu GPSR: Stanley Black & Decker Deutschland GmbH Black-&-Decker-Strasse 40, 65510 Idstein support@blackanddecker.de

    Kategorien
    Ersatzteil-Fee

    Die Ersatzteilfee

    Das rege Interesse an dem Angebot in meinem Onlineshop hat mir gezeigt, dass die Zufriedenheit meiner Kunden sehr groß ist. Zahlreiche positive Kundenmeinungen bestätigen den gut sortierten Aufbau des Shops, die gute Beratung und den zügigen Versand. Mehr über mich...

    Wir helfen Ihnen gerne, das richtige Ersatzteil zu finden. Dazu können Sie uns auch gerne Anfragen oder Fotos vom Ersatzteil/Gerät auf das Handy 0152 560 383 53
    per WhatsApp senden. SMS Nachrichten können nicht empfangen werden!


    Info zur Mehrwertsteuer

    Lieferland wählen

    Wählen Sie das Lieferland aus, um die Preise inkl. MwSt. abhängig von der Lieferadresse angezeigt zu bekommen.



    Die im Shop angegebenen Preise sind in Euro inkl. der deutschen Mehrwertsteuer angegeben.
    Für Bestellungen aus einem anderen EU-Land muss die dort geltende Mehrwertsteuer berechnet werden. Wenn Sie im Warenkorb das Lieferland auswählen, wird Ihnen auch der korrekte Mehrwertsteuersatz zu Ihrem EU-Land angezeigt.