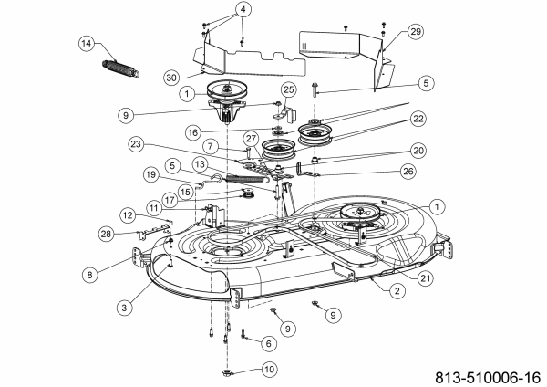
Ersatzteile Black Edition Rasentraktoren 285-117 TWIN KH Typ: 13AFA1KT615 (2021) Mähwerk T (46/117cm)
Für eine größere Ansicht klicken Sie auf das Vorschaubild

Ersatzteile Black Edition Rasentraktoren 285-117 TWIN KH Typ: 13AFA1KT615 (2021) Mähwerk T (46"/117cm)

MTD
MTD Art.Nr.: 813-510006-16
Hier können Sie Ersatzteile Black Edition Rasentraktoren 285-117 TWIN KH Typ: 13AFA1KT615 (2021) Mähwerk T (46"/117cm) einfach online kaufen.

In der Skizze sind die Teile mit einer Zahl gekennzeichnet. Diese finden Sie in der Tabelle wieder und können so das Ersatzteil aus der Tabelle auswählen und online kaufen.


Ersatzteil
deutschenglishfrench
PreisBildkaufen
Teil 1 MESSERSPINDEL VOLLST. NX15
Art.Nr.: WG-618-06977A
Part 1 SPDL ASM:PUL:6.93 DIA
Article no.: WG-618-06977A
Partie 1 PALIER LE LAME CPL
Numéro d'article: WG-618-06977A
116,95 €**ohne Abbildung
Teil 2 MÄHWERKSGEHÄUSE 46"
Art.Nr.: WG-683-05432A-S
Part 2 HOUSING-DECK
Article no.: WG-683-05432A-S
Partie 2 CARTER DE COUPE 46"
Numéro d'article: WG-683-05432A-S
527,79 €**ohne Abbildung
Teil 3 6KT-SCHR:5/16-18:1.00:GR5:STD
Art.Nr.: WG-710-0376
Part 3 HHCS:5/16-18:1.00:GR5:STD
Article no.: WG-710-0376
Partie 3 VIS HEX.:5/16-18:1.00:GR5:STD
Numéro d'article: WG-710-0376
7,55 € Teil 3 6KT-SCHR:5/16-18:1.00:GR5:STD Art.Nr.: WG-710-0376
Teil 4 6KT-SCHRAUBE:CF:M6x1:0.63
Art.Nr.: WG-710-06133
Part 4 SCR:CF:M6x1:0.63:HXACRN
Article no.: WG-710-06133
Partie 4 VIS
Numéro d'article: WG-710-06133
6,69 € ohne Abbildung
Teil 5 6KT-SCHR:SEMS:3/8-16x2.00:GR8
Art.Nr.: WG-710-06178
Part 5 HHCS:SEMS:3/8-16X2.00:HD WSH
Article no.: WG-710-06178
Partie 5 VIS
Numéro d'article: WG-710-06178
10,94 € ohne Abbildung
Teil 6 6KT-SCHRAUBE:TT:5/16-18:0.88
Art.Nr.: WG-710-06322
Part 6 SCR:TT:5/16-18:0.88:HXINDWSH
Article no.: WG-710-06322
Partie 6 VIS
Numéro d'article: WG-710-06322
2,68 € Teil 6 6KT-SCHRAUBE:TT:5/16-18:0.88 Art.Nr.: WG-710-06322
Teil 7 6KT-SCHR:3/8-16:1.25:GR5:STD
Art.Nr.: WG-710-3005
Part 7 SCREW HHCS:3/8-16:1.25:GR5:STD
Article no.: WG-710-3005
Partie 7 VIS HEX.HHCS:3/8-16:1.25GR5STD
Numéro d'article: WG-710-3005
2,95 € ohne Abbildung
Teil 8 6KT-S-BUNDMUTTER:5/16-18:GRN5
Art.Nr.: WG-712-04063
Part 8 NUT:HEXFLGLK:5/16-18:GRN5:NYL
Article no.: WG-712-04063
Partie 8 ECROU HEX. AVEC FLANC
Numéro d'article: WG-712-04063
4,31 € Teil 8 6KT-S-BUNDMUTTER:5/16-18:GRN5 Art.Nr.: WG-712-04063
Teil 9 6KT-S-BUNDMUTTER:3/8-16:GRF
Art.Nr.: WG-712-04217
Part 9 NUT:HEXFLGLK:3/8-16:GRF:TOPLK
Article no.: WG-712-04217
Partie 9 ECROU
Numéro d'article: WG-712-04217
2,14 € Teil 9 6KT-S-BUNDMUTTER:3/8-16:GRF Art.Nr.: WG-712-04217
Teil 10 6KT-BUNDMUTTER:5/8-18:GR2
Art.Nr.: WG-712-05134
Part 10 NUT:HEXFLG:5/8-18:GR2
Article no.: WG-712-05134
Partie 10 ECROU
Numéro d'article: WG-712-05134
4,31 € Teil 10 6KT-BUNDMUTTER:5/8-18:GR2 Art.Nr.: WG-712-05134
Teil 11 FEDERSTECKER:7/16"-1/2"
Art.Nr.: WG-714-05005
Part 11 PIN:BOW:7/16"-1/2"
Article no.: WG-714-05005
Partie 11 GOUPILLE
Numéro d'article: WG-714-05005
7,80 € Teil 11 FEDERSTECKER:7/16
Teil 12 ENDKAPPE:VINYL:.290 x .500
Art.Nr.: WG-720-05010
Part 12 CAP:VINYL: .290 x .500
Article no.: WG-720-05010
Partie 12 BOUCHON
Numéro d'article: WG-720-05010
6,26 € ohne Abbildung
Teil 13 ZUGFEDER:.94 OD x 7.57"LG:ZINC
Art.Nr.: WG-732-04960
Part 13 SPR:EXT:.94 OD X 7.57 LG:ZINC
Article no.: WG-732-04960
Partie 13 RESSORT
Numéro d'article: WG-732-04960
15,60 € ohne Abbildung
Teil 14 SPEZIAL-ZUGFEDER
Art.Nr.: WG-732-05241A
Part 14 SPR:EXTN:INSERT:SMALL
Article no.: WG-732-05241A
Partie 14 SPEZIAL-ZUGFEDER
Numéro d'article: WG-732-05241A
22,29 € ohne Abbildung
Teil 15 U-SCHEIBE:0.385x1.510x0.134
Art.Nr.: WG-736-0227
Part 15 WASH:FLAT:0.385x1.510x0.134
Article no.: WG-736-0227
Partie 15 RONDELLE 3/8X1.00"
Numéro d'article: WG-736-0227
8,29 € ohne Abbildung
Teil 16 U-SCHEIBE:0.380x1.015x0.135
Art.Nr.: WG-736-0258
Part 16 WASHER:FLAT:0.380X1.015X0.135
Article no.: WG-736-0258
Partie 16 RONDELLE PLATE .385x1.0x.135
Numéro d'article: WG-736-0258
3,36 € ohne Abbildung
Teil 17 DISTANZSTÜCK:0.380x0.855x1.0
Art.Nr.: WG-738-05099
Part 17 SPCR:SHLDR:DBL:0.380X0.855X1.0
Article no.: WG-738-05099
Partie 17 RONDELLE EPAULEE
Numéro d'article: WG-738-05099
9,64 € ohne Abbildung
Teil 18 MULCHMESSER:23.25"
Art.Nr.: WG-742-04268
Part 18 BLADE:CUT:23.25" MULCH
Article no.: WG-742-04268
Partie 18 LAME COUPE 117CM MULCHING
Numéro d'article: WG-742-04268
48,31 €**Teil 18 MULCHMESSER:23.25
Teil 19 FEDERHAKEN:MÄHDECK
Art.Nr.: WG-747-05608A
Part 19 HOOK:ROD:SPRING:DECK
Article no.: WG-747-05608A
Partie 19 FEDERHAKEN:MÄHDECK
Numéro d'article: WG-747-05608A
19,04 € ohne Abbildung
Teil 20 BUNDBUCHSE:0.383x0.667x0.446
Art.Nr.: WG-748-05029A
Part 20 SPCR:SHLDR:0.383X0.667X0.446
Article no.: WG-748-05029A
Partie 20 ENTRETOISE
Numéro d'article: WG-748-05029A
6,10 € Teil 20 BUNDBUCHSE:0.383x0.667x0.446 Art.Nr.: WG-748-05029A
Teil 21 KEILRIEMEN:V TYP:A SEC x 108.6
Art.Nr.: WG-754-05087A
Part 21 BELT:V TYP:MOD A SEC X 108.6
Article no.: WG-754-05087A
Partie 21 COURROIE DE COUPE N 117 CM
Numéro d'article: WG-754-05087A
103,19 €**ohne Abbildung
Teil 22 SPANNROLLE: Ò 4.50"
Art.Nr.: WG-756-05034A
Part 22 PUL:IDLR:4.50" DIA
Article no.: WG-756-05034A
Partie 22 POULIE TENDEUR COUPE
Numéro d'article: WG-756-05034A
37,45 €**ohne Abbildung
Teil 23
Art.Nr.: WG-783-08284B
Part 23
Article no.: WG-783-08284B
Partie 23
Numéro d'article: WG-783-08284B
24,07 € ohne Abbildung
Teil 24 ABDECKBLECH:RND:SPANNROLLE:HD
Art.Nr.: WG-783-08389
Part 24 CAP:PULLEY:HD
Article no.: WG-783-08389
Partie 24 PROTECTION DE POULIE
Numéro d'article: WG-783-08389
10,73 €**ohne Abbildung
Teil 25 KEILRIEMENFÜHRUNG 50" DECK
Art.Nr.: WG-783-08619A
Part 25 KEEPER BELT 50" DECK
Article no.: WG-783-08619A
Partie 25 KEILRIEMENFÜHRUNG 50" DECK
Numéro d'article: WG-783-08619A
22,45 € ohne Abbildung
Teil 26 KEILRIEMENFÜHRUNG:WINKELBLECH
Art.Nr.: WG-783-08690A-S
Part 26 KEEPR:BELT
Article no.: WG-783-08690A-S
Partie 26 GUIDE COURROIE
Numéro d'article: WG-783-08690A-S
10,41 € ohne Abbildung
Teil 27 KEILRIEMENSCHUTZ
Art.Nr.: WG-783-08867637
Part 27 KEEPER BELT
Article no.: WG-783-08867637
Partie 27 GUIDE COURROIE
Numéro d'article: WG-783-08867637
19,41 € ohne Abbildung
Teil 28 ANSCHLAG:AUSWURFKLAPPE:DUAL
Art.Nr.: WG-783-08924
Part 28 BRKT:STOP:CHUTE:DUAL
Article no.: WG-783-08924
Partie 28 SUPPORT DE DEFLECTEUR
Numéro d'article: WG-783-08924
12,56 € ohne Abbildung
inkl. 19 % MwSt. Steuer-Info
zzgl. Versandkosten
Lieferzeit: 3-10 Werktage*
In den Warenkorb

Wenn Sie Hilfe zu einer Störung Ihres MTD Gerätes benötigen, nehmen Sie einfach Kontakt zu uns auf. Sie können gerne auch eine Nachricht per WhatsApp an 0152 560 383 53 senden. Wir helfen Ihnen gerne!

Alle aufgelisteten Ersatzteile sind original MTD Ersatzteile.

Alle Artikel aus der Kategorie Ersatzteile Black Edition Rasentraktoren 285-117 TWIN KH Typ: 13AFA1KT615 (2021)

Bitte beachten Sie, dass Elektro MTD Ersatzteile nur von Elektrofachkräften nach Vorgabe des Herstellers unter Berücksichtigung der gesetzlichen Vorschriften ersetzt werden dürfen.

Info zu GPSR: Stanley Black & Decker Deutschland GmbH Black-&-Decker-Strasse 40, 65510 Idstein support@blackanddecker.de

    Kategorien
    Ersatzteil-Fee

    Die Ersatzteilfee

    Das rege Interesse an dem Angebot in meinem Onlineshop hat mir gezeigt, dass die Zufriedenheit meiner Kunden sehr groß ist. Zahlreiche positive Kundenmeinungen bestätigen den gut sortierten Aufbau des Shops, die gute Beratung und den zügigen Versand. Mehr über mich...

    Wir helfen Ihnen gerne, das richtige Ersatzteil zu finden. Dazu können Sie uns auch gerne Anfragen oder Fotos vom Ersatzteil/Gerät auf das Handy 0152 560 383 53
    per WhatsApp senden. SMS Nachrichten können nicht empfangen werden!


    Info zur Mehrwertsteuer

    Lieferland wählen

    Wählen Sie das Lieferland aus, um die Preise inkl. MwSt. abhängig von der Lieferadresse angezeigt zu bekommen.



    Die im Shop angegebenen Preise sind in Euro inkl. der deutschen Mehrwertsteuer angegeben.
    Für Bestellungen aus einem anderen EU-Land muss die dort geltende Mehrwertsteuer berechnet werden. Wenn Sie im Warenkorb das Lieferland auswählen, wird Ihnen auch der korrekte Mehrwertsteuersatz zu Ihrem EU-Land angezeigt.