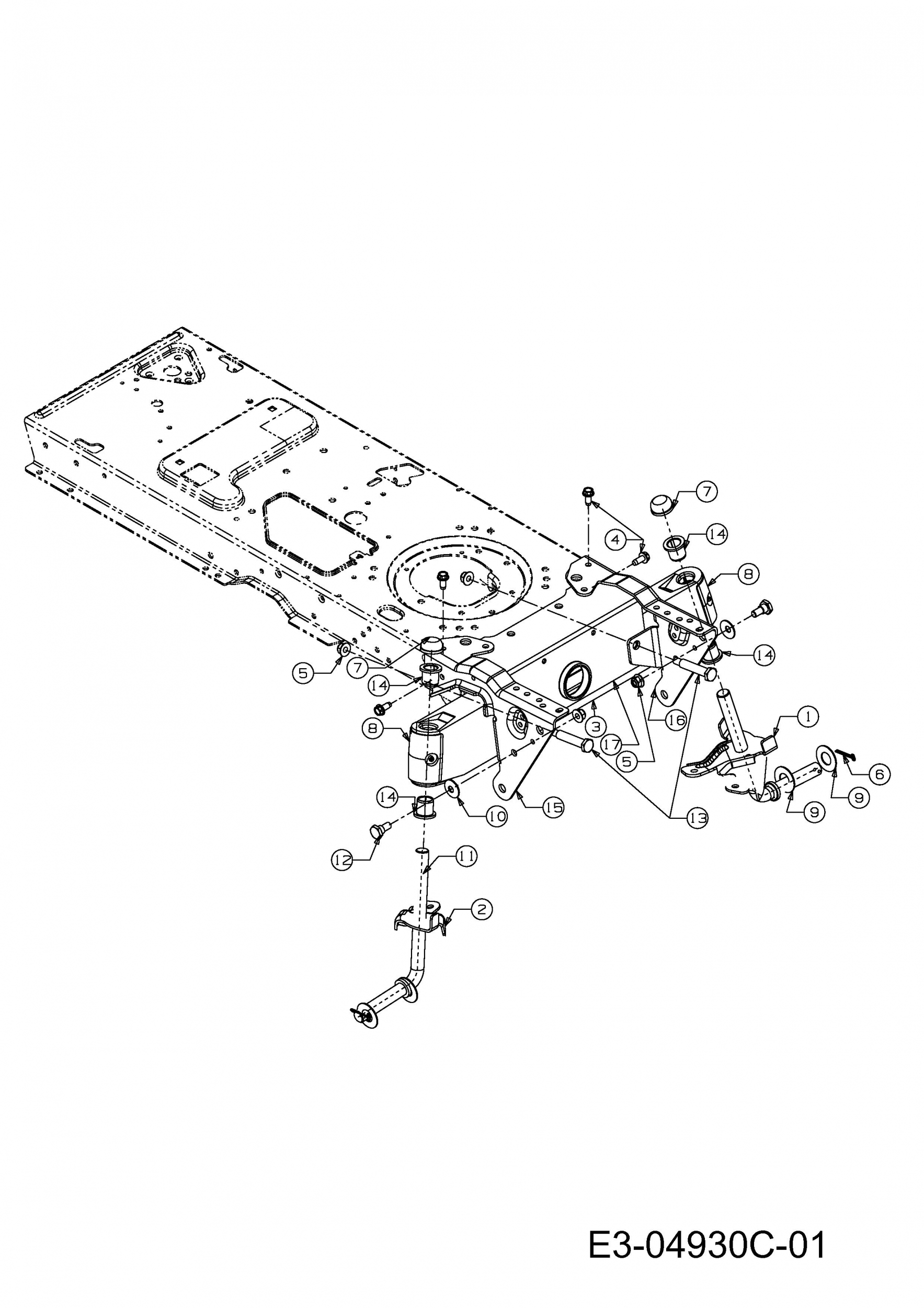
Ersatzteile Black Edition Rasentraktoren 247-105 TWIN H Typ: 13CU497N615  (2011) Vorderachse
Für eine größere Ansicht klicken Sie auf das Vorschaubild

Ersatzteile Black Edition Rasentraktoren 247-105 TWIN H Typ: 13CU497N615 (2011) Vorderachse

MTD
MTD Art.Nr.: E3-04930C-01
Hier können Sie Ersatzteile Black Edition Rasentraktoren 247-105 TWIN H Typ: 13CU497N615 (2011) Vorderachse einfach online kaufen.

In der Skizze sind die Teile mit einer Zahl gekennzeichnet. Diese finden Sie in der Tabelle wieder und können so das Ersatzteil aus der Tabelle auswählen und online kaufen.


Ersatzteil
deutschenglishfrench
PreisBildkaufen
Teil 4 6KT-SCHRAUBE:TT:5/16-18:.750
Art.Nr.: WG-710-1260A
Part 4 SCR:TT:5/16-18:0.750:HXINDWSH
Article no.: WG-710-1260A
Partie 4 VIS TT:5/16-18:.750
Numéro d'article: WG-710-1260A
4,07 € Teil 4 6KT-SCHRAUBE:TT:5/16-18:.750 Art.Nr.: WG-710-1260A
Teil 5 6KT-S-BUNDMUTTER 3/8-16:GRN5
Art.Nr.: WG-712-04065
Part 5 NUT:HEXFLGLK:3/8-16:GRN5:NYLON
Article no.: WG-712-04065
Partie 5 ECROU HEXAGONAL
Numéro d'article: WG-712-04065
4,19 € Teil 5 6KT-S-BUNDMUTTER 3/8-16:GRN5 Art.Nr.: WG-712-04065
Teil 7 AUFDRUCKKAPPE:3/4-M19
Art.Nr.: WG-726-0341
Part 7 CAP:PUSH:LGE:3/4-M19
Article no.: WG-726-0341
Partie 7 CAPUCHON CLIPS
Numéro d'article: WG-726-0341
4,79 € Teil 7 AUFDRUCKKAPPE:3/4-M19 Art.Nr.: WG-726-0341
Teil 8 KAPPE-ACHSE M. ABSCHMIERNIPPEL
Art.Nr.: WG-731-1291A
Part 8 CAP:END:PIVOT BAR
Article no.: WG-731-1291A
Partie 8 CARTER PLASTIQUE
Numéro d'article: WG-731-1291A
9,86 €
Teil 9 SCHEIBE:FL:0.761x 1.595 x.060
Art.Nr.: WG-736-0316
Part 9 WASH:FLAT:0.761x1.595x0.060
Article no.: WG-736-0316
Partie 9 RONDELLE 1.78XA1.59"
Numéro d'article: WG-736-0316
5,70 € Teil 9 SCHEIBE:FL:0.761x 1.595 x.060 Art.Nr.: WG-736-0316
Teil 10 TELLERFEDER:.384X1.135X.062
Art.Nr.: WG-736-0331
Part 10 WASH:BLVL:0.384X1.135X0.062
Article no.: WG-736-0331
Partie 10 RONDELLE CONIQUE
Numéro d'article: WG-736-0331
3,09 € Teil 10 TELLERFEDER:.384X1.135X.062 Art.Nr.: WG-736-0331
Teil 12 SHLT-SCHRAUBE:.498x.332:3/8-16
Art.Nr.: WG-738-0143
Part 12 SCR:SHLDR:0.498x0.332:3/8-16
Article no.: WG-738-0143
Partie 12 VIS EPAULEE
Numéro d'article: WG-738-0143
9,52 € ohne Abbildung
Teil 13 SCHULTER-SCHR:.500x2.22:3/8-16
Art.Nr.: WG-738-1011A
Part 13 SCR:SHLDR:0.500 X 2.220:3/8-16
Article no.: WG-738-1011A
Partie 13 AXE
Numéro d'article: WG-738-1011A
6,90 € Teil 13 SCHULTER-SCHR:.500x2.22:3/8-16 Art.Nr.: WG-738-1011A
Teil 14 FLANSCHLAGER:.760 x .941 x 1.0
Art.Nr.: WG-741-0660A
Part 14 BRG:FLG:.760 x .941 x 1.0
Article no.: WG-741-0660A
Partie 14 BAGUE ESSIEU DE ROUE
Numéro d'article: WG-741-0660A
6,26 € Teil 14 FLANSCHLAGER:.760 x .941 x 1.0 Art.Nr.: WG-741-0660A
inkl. 19 % MwSt. Steuer-Info
zzgl. Versandkosten
Lieferzeit: 3-10 Werktage*
In den Warenkorb

Wenn Sie Hilfe zu einer Störung Ihres MTD Gerätes benötigen, nehmen Sie einfach Kontakt zu uns auf. Sie können gerne auch eine Nachricht per WhatsApp an 0152 560 383 53 senden. Wir helfen Ihnen gerne!

Alle aufgelisteten Ersatzteile sind original MTD Ersatzteile.

Alle Artikel aus der Kategorie Ersatzteile Black Edition Rasentraktoren 247-105 TWIN H Typ: 13CU497N615 (2011)

Bitte beachten Sie, dass Elektro MTD Ersatzteile nur von Elektrofachkräften nach Vorgabe des Herstellers unter Berücksichtigung der gesetzlichen Vorschriften ersetzt werden dürfen.

Info zu GPSR: Stanley Black & Decker Deutschland GmbH Black-&-Decker-Strasse 40, 65510 Idstein support@blackanddecker.de

    Kategorien
    Ersatzteil-Fee

    Die Ersatzteilfee

    Das rege Interesse an dem Angebot in meinem Onlineshop hat mir gezeigt, dass die Zufriedenheit meiner Kunden sehr groß ist. Zahlreiche positive Kundenmeinungen bestätigen den gut sortierten Aufbau des Shops, die gute Beratung und den zügigen Versand. Mehr über mich...

    Wir helfen Ihnen gerne, das richtige Ersatzteil zu finden. Dazu können Sie uns auch gerne Anfragen oder Fotos vom Ersatzteil/Gerät auf das Handy 0152 560 383 53
    per WhatsApp senden. SMS Nachrichten können nicht empfangen werden!


    Info zur Mehrwertsteuer

    Lieferland wählen

    Wählen Sie das Lieferland aus, um die Preise inkl. MwSt. abhängig von der Lieferadresse angezeigt zu bekommen.



    Die im Shop angegebenen Preise sind in Euro inkl. der deutschen Mehrwertsteuer angegeben.
    Für Bestellungen aus einem anderen EU-Land muss die dort geltende Mehrwertsteuer berechnet werden. Wenn Sie im Warenkorb das Lieferland auswählen, wird Ihnen auch der korrekte Mehrwertsteuersatz zu Ihrem EU-Land angezeigt.