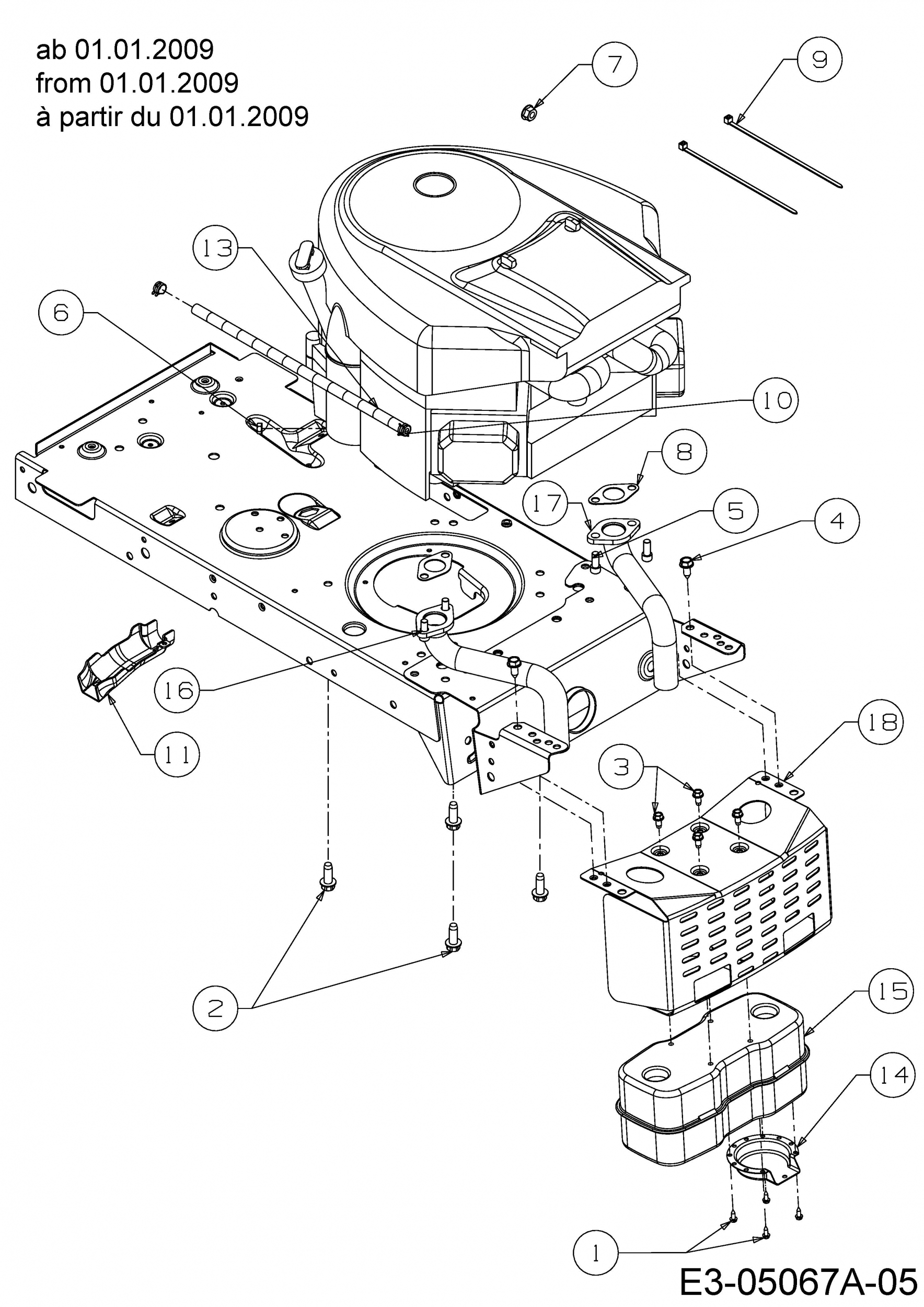
Ersatzteile Black Edition Rasentraktoren 180-107 Typ: 13AT777G615  (2009) Motorzubehör ab 01.01.2009
Für eine größere Ansicht klicken Sie auf das Vorschaubild

Ersatzteile Black Edition Rasentraktoren 180-107 Typ: 13AT777G615 (2009) Motorzubehör ab 01.01.2009

MTD
MTD Art.Nr.: E3-05067A-05
Hier können Sie Ersatzteile Black Edition Rasentraktoren 180-107 Typ: 13AT777G615 (2009) Motorzubehör ab 01.01.2009 einfach online kaufen.

In der Skizze sind die Teile mit einer Zahl gekennzeichnet. Diese finden Sie in der Tabelle wieder und können so das Ersatzteil aus der Tabelle auswählen und online kaufen.


Ersatzteil
deutschenglishfrench
PreisBildkaufen
Teil 1 6KT-BLECHSCHR:AB:#8-18:0.50
Art.Nr.: WG-710-0227
Part 1 SCR:AB:#8-18:0.50:HXINDWH
Article no.: WG-710-0227
Partie 1 VIS
Numéro d'article: WG-710-0227
2,68 € Teil 1 6KT-BLECHSCHR:AB:#8-18:0.50 Art.Nr.: WG-710-0227
Teil 2 6KT-SCHR:3/8-16:1.000:HXINDWSH
Art.Nr.: WG-710-04683C
Part 2 SCR:TT:3/8-16:1.000:HXINDWSH
Article no.: WG-710-04683C
Partie 2 VIS HEX.:3/8-16:1.000
Numéro d'article: WG-710-04683C
2,49 € Teil 2 6KT-SCHR:3/8-16:1.000:HXINDWSH Art.Nr.: WG-710-04683C
Teil 3 6KT-SCHRAUBE:TT:1/4-20:0.500
Art.Nr.: WG-710-0599
Part 3 SCREW:TT:1/4-20:0.500:HXINDWSH
Article no.: WG-710-0599
Partie 3 VIS A SIX PANS CREUX
Numéro d'article: WG-710-0599
4,58 € Teil 3 6KT-SCHRAUBE:TT:1/4-20:0.500 Art.Nr.: WG-710-0599
Teil 4 6KT-SCHR:AB:5/16-12:0.750
Art.Nr.: WG-710-0726
Part 4 SCR:AB:5/16-12:0.750:HXINDWSH
Article no.: WG-710-0726
Partie 4 VIS 5/16-12:0.750:HXINDWS
Numéro d'article: WG-710-0726
3,09 € Teil 4 6KT-SCHR:AB:5/16-12:0.750 Art.Nr.: WG-710-0726
Teil 5 INNEN-6KT-SCHR:5/16-18:.75:GR8
Art.Nr.: WG-710-1314A
Part 5 SCR:SOC HD:5/16-18:.750 GR8
Article no.: WG-710-1314A
Partie 5 VIS HEX. INT. 5/16-18:.75:GR8
Numéro d'article: WG-710-1314A
2,95 € Teil 5 INNEN-6KT-SCHR:5/16-18:.75:GR8 Art.Nr.: WG-710-1314A
Teil 6 6KT-MUTTER 1/4-20"+ZAHNSCHEIBE
Art.Nr.: WG-712-0271
Part 6 NUT:HEXKEPS:1/4-20:GR5
Article no.: WG-712-0271
Partie 6 ECROU 1/4-20"+ DISQUE DENTE
Numéro d'article: WG-712-0271
2,68 € ohne Abbildung
Teil 7 6KT-S-BUNDMUTTER:3/8-16:GR5
Art.Nr.: WG-712-3005
Part 7 NUT:HEXFLGLK:3/8-16:GR5:SERR
Article no.: WG-712-3005
Partie 7 ECROU AVEC FLANC:3/8-16:GR5
Numéro d'article: WG-712-3005
2,95 € ohne Abbildung
Teil 8 AUSPUFFDICHTUNG INTEK TWIN
Art.Nr.: WG-721-0460
Part 8 GSKT:EXH:INTEK TWIN
Article no.: WG-721-0460
Partie 8 JOINT D ECHAPPEMT. INTEK TWIN
Numéro d'article: WG-721-0460
6,26 € Teil 8 AUSPUFFDICHTUNG INTEK TWIN Art.Nr.: WG-721-0460
Teil 9 KABELBINDER:.05X.18X7.56:50LB
Art.Nr.: WG-725-0157
Part 9 TIE:CBL:0.05X0.18X7.56:50LB
Article no.: WG-725-0157
Partie 9 COLLIER DE SERRAGE3/16X0.5X7.4
Numéro d'article: WG-725-0157
2,68 € Teil 9 KABELBINDER:.05X.18X7.56:50LB Art.Nr.: WG-725-0157
Teil 10 SCHLAUCHKLEMME: 0.50 DIA
Art.Nr.: WG-726-0205
Part 10 CLAMP HOSE: 0.50
Article no.: WG-726-0205
Partie 10 COLLIER DE SERRAGE DE BOYAU
Numéro d'article: WG-726-0205
2,56 € Teil 10 SCHLAUCHKLEMME: 0.50 DIA Art.Nr.: WG-726-0205
Teil 11 ÖLABLAUFRINNE
Art.Nr.: WG-731-05628
Part 11 SLEV:DRAIN:OIL
Article no.: WG-731-05628
Partie 11 GOUTIERE VIDANGE D HUILE
Numéro d'article: WG-731-05628
10,52 € Teil 11 ÖLABLAUFRINNE Art.Nr.: WG-731-05628
Teil 14 LUFTLEITBLECH:DFL:AUSPUFF
Art.Nr.: WG-751-0564B
Part 14 DEFLECTOR:MUFFLER
Article no.: WG-751-0564B
Partie 14 DEFLECTEUR ECHAPPEMENT
Numéro d'article: WG-751-0564B
12,85 € ohne Abbildung
Teil 15 AUSPUFFTOPF:DUAL INLET
Art.Nr.: WG-751-0616B
Part 15 SILENCER:DUAL INLET
Article no.: WG-751-0616B
Partie 15 POT D¨ECHAPPEMENT
Numéro d'article: WG-751-0616B
124,98 €**ohne Abbildung
Teil 16 AUSPUFFROHR:RECHTS INTEK TWIN
Art.Nr.: WG-751-0650B
Part 16 EXHAUST PIPE R.H. INTEK TWIN
Article no.: WG-751-0650B
Partie 16 TUYAU D ECHAPPEMENT DROIT
Numéro d'article: WG-751-0650B
53,07 €**ohne Abbildung
Teil 17 AUSPUFFROHR:LINKS INTEK TWIN
Art.Nr.: WG-751-0651B
Part 17 EXHAUST PIPE L.H. INTEK TWIN
Article no.: WG-751-0651B
Partie 17 TUYAU D ECHAPPEMENT GAUCHE
Numéro d'article: WG-751-0651B
53,07 €**ohne Abbildung
inkl. 19 % MwSt. Steuer-Info
zzgl. Versandkosten
Lieferzeit: 3-10 Werktage*
In den Warenkorb

Wenn Sie Hilfe zu einer Störung Ihres MTD Gerätes benötigen, nehmen Sie einfach Kontakt zu uns auf. Sie können gerne auch eine Nachricht per WhatsApp an 0152 560 383 53 senden. Wir helfen Ihnen gerne!

Alle aufgelisteten Ersatzteile sind original MTD Ersatzteile.

Alle Artikel aus der Kategorie Ersatzteile Black Edition Rasentraktoren 180-107 Typ: 13AT777G615 (2009)

Bitte beachten Sie, dass Elektro MTD Ersatzteile nur von Elektrofachkräften nach Vorgabe des Herstellers unter Berücksichtigung der gesetzlichen Vorschriften ersetzt werden dürfen.

Info zu GPSR: Stanley Black & Decker Deutschland GmbH Black-&-Decker-Strasse 40, 65510 Idstein support@blackanddecker.de

    Kategorien
    Ersatzteil-Fee

    Die Ersatzteilfee

    Das rege Interesse an dem Angebot in meinem Onlineshop hat mir gezeigt, dass die Zufriedenheit meiner Kunden sehr groß ist. Zahlreiche positive Kundenmeinungen bestätigen den gut sortierten Aufbau des Shops, die gute Beratung und den zügigen Versand. Mehr über mich...

    Wir helfen Ihnen gerne, das richtige Ersatzteil zu finden. Dazu können Sie uns auch gerne Anfragen oder Fotos vom Ersatzteil/Gerät auf das Handy 0152 560 383 53
    per WhatsApp senden. SMS Nachrichten können nicht empfangen werden!


    Info zur Mehrwertsteuer

    Lieferland wählen

    Wählen Sie das Lieferland aus, um die Preise inkl. MwSt. abhängig von der Lieferadresse angezeigt zu bekommen.



    Die im Shop angegebenen Preise sind in Euro inkl. der deutschen Mehrwertsteuer angegeben.
    Für Bestellungen aus einem anderen EU-Land muss die dort geltende Mehrwertsteuer berechnet werden. Wenn Sie im Warenkorb das Lieferland auswählen, wird Ihnen auch der korrekte Mehrwertsteuersatz zu Ihrem EU-Land angezeigt.