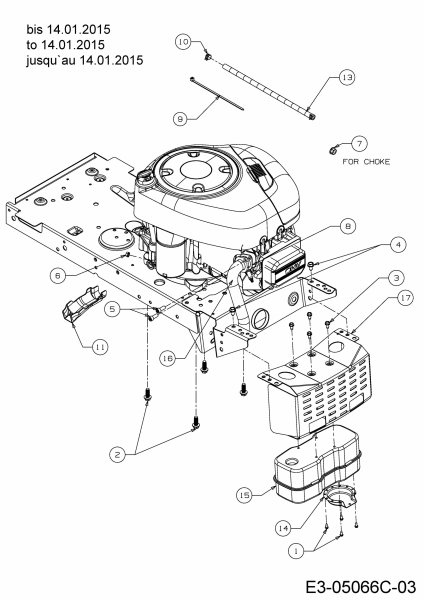
Ersatzteile Black Edition Rasentraktoren 175-96 Typ: 13HN777F615  (2015) Motorzubehör bis 14.01.2015
Für eine größere Ansicht klicken Sie auf das Vorschaubild

Ersatzteile Black Edition Rasentraktoren 175-96 Typ: 13HN777F615 (2015) Motorzubehör bis 14.01.2015

MTD
MTD Art.Nr.: E3-05066C-03
Hier können Sie Ersatzteile Black Edition Rasentraktoren 175-96 Typ: 13HN777F615 (2015) Motorzubehör bis 14.01.2015 einfach online kaufen.

In der Skizze sind die Teile mit einer Zahl gekennzeichnet. Diese finden Sie in der Tabelle wieder und können so das Ersatzteil aus der Tabelle auswählen und online kaufen.


Ersatzteil
deutschenglishfrench
PreisBildkaufen
Teil 1 6KT-BLECHSCHR:AB:#8-18:0.50
Art.Nr.: WG-710-0227
Part 1 SCR:AB:#8-18:0.50:HXINDWH
Article no.: WG-710-0227
Partie 1 VIS
Numéro d'article: WG-710-0227
2,68 € Teil 1 6KT-BLECHSCHR:AB:#8-18:0.50 Art.Nr.: WG-710-0227
Teil 2 6KT-SCHRAUBE:3/8-16:1.000
Art.Nr.: WG-710-04683B
Part 2 SCR:TT:3/8-16:1.000:HXINDWSH
Article no.: WG-710-04683B
Partie 2 VIS
Numéro d'article: WG-710-04683B
2,49 € ohne Abbildung
Teil 3 6KT-SCHRAUBE:TT:1/4-20:0.500
Art.Nr.: WG-710-0599
Part 3 SCREW:TT:1/4-20:0.500:HXINDWSH
Article no.: WG-710-0599
Partie 3 VIS A SIX PANS CREUX
Numéro d'article: WG-710-0599
4,58 € Teil 3 6KT-SCHRAUBE:TT:1/4-20:0.500 Art.Nr.: WG-710-0599
Teil 4 6KT-SCHRAUBE:TT:5/16-18:0.63
Art.Nr.: WG-710-0604A
Part 4 SCR:TT:5/16-18:0.63:HXINDWSH
Article no.: WG-710-0604A
Partie 4 VIS 5/16-18:0.625
Numéro d'article: WG-710-0604A
3,74 € ohne Abbildung
Teil 5 INNEN-6KT-SCHR:5/16-18:.75:GR8
Art.Nr.: WG-710-1314A
Part 5 SCR:SOC HD:5/16-18:.750 GR8
Article no.: WG-710-1314A
Partie 5 VIS HEX. INT. 5/16-18:.75:GR8
Numéro d'article: WG-710-1314A
2,95 € Teil 5 INNEN-6KT-SCHR:5/16-18:.75:GR8 Art.Nr.: WG-710-1314A
Teil 6 6KT-MUTTER 1/4-20"+ZAHNSCHEIBE
Art.Nr.: WG-712-0271
Part 6 NUT:HEXKEPS:1/4-20:GR5
Article no.: WG-712-0271
Partie 6 ECROU 1/4-20"+ DISQUE DENTE
Numéro d'article: WG-712-0271
2,68 € ohne Abbildung
Teil 7 6KT-S-BUNDMUTTER:3/8-16:GR5
Art.Nr.: WG-712-3005
Part 7 NUT:HEXFLGLK:3/8-16:GR5:SERR
Article no.: WG-712-3005
Partie 7 ECROU AVEC FLANC:3/8-16:GR5
Numéro d'article: WG-712-3005
2,95 € ohne Abbildung
Teil 8 DICHTUNG (AUSPUFF)
Art.Nr.: WG-BS-692236
Part 8 EXHAUST GSKT 10 & 11 HP
Article no.: WG-BS-692236
Partie 8 JOINT ECHAP B/S MONO CYLINDRE
Numéro d'article: WG-BS-692236
6,10 € Teil 8 DICHTUNG (AUSPUFF) Art.Nr.: WG-BS-692236
Teil 9 KABELBINDER:.05X.18X7.56:50LB
Art.Nr.: WG-725-0157
Part 9 TIE:CBL:0.05X0.18X7.56:50LB
Article no.: WG-725-0157
Partie 9 COLLIER DE SERRAGE3/16X0.5X7.4
Numéro d'article: WG-725-0157
2,68 € Teil 9 KABELBINDER:.05X.18X7.56:50LB Art.Nr.: WG-725-0157
Teil 10 SCHLAUCHKLEMME: 0.50 DIA
Art.Nr.: WG-726-0205
Part 10 CLAMP HOSE: 0.50
Article no.: WG-726-0205
Partie 10 COLLIER DE SERRAGE DE BOYAU
Numéro d'article: WG-726-0205
2,56 € Teil 10 SCHLAUCHKLEMME: 0.50 DIA Art.Nr.: WG-726-0205
Teil 11 ÖLABLAUFRINNE
Art.Nr.: WG-731-05628
Part 11 SLEV:DRAIN:OIL
Article no.: WG-731-05628
Partie 11 GOUTIERE VIDANGE D HUILE
Numéro d'article: WG-731-05628
10,52 € Teil 11 ÖLABLAUFRINNE Art.Nr.: WG-731-05628
Teil 14 LUFTLEITBLECH:DFL:AUSPUFF
Art.Nr.: WG-751-0564B
Part 14 DEFLECTOR:MUFFLER
Article no.: WG-751-0564B
Partie 14 DEFLECTEUR ECHAPPEMENT
Numéro d'article: WG-751-0564B
12,85 € ohne Abbildung
Teil 15 AUSPUFFTOPF:SINGLE INLET
Art.Nr.: WG-751-0617C
Part 15 MFLR:SINGLE INLET
Article no.: WG-751-0617C
Partie 15 POT D ÜCHAPPEMENT
Numéro d'article: WG-751-0617C
119,30 €**
Teil 16 AUSPUFFROHR:SINGLE B&S OHV
Art.Nr.: WG-751-0619B
Part 16 PIPE:EXH:SINGLE B&S OHV
Article no.: WG-751-0619B
Partie 16 PIPE D ECHAPPEMENT
Numéro d'article: WG-751-0619B
54,49 €**ohne Abbildung
inkl. 19 % MwSt. Steuer-Info
zzgl. Versandkosten
Lieferzeit: 3-10 Werktage*
In den Warenkorb

Wenn Sie Hilfe zu einer Störung Ihres MTD Gerätes benötigen, nehmen Sie einfach Kontakt zu uns auf. Sie können gerne auch eine Nachricht per WhatsApp an 0152 560 383 53 senden. Wir helfen Ihnen gerne!

Alle aufgelisteten Ersatzteile sind original MTD Ersatzteile.

Alle Artikel aus der Kategorie Ersatzteile Black Edition Rasentraktoren 175-96 Typ: 13HN777F615 (2015)

Bitte beachten Sie, dass Elektro MTD Ersatzteile nur von Elektrofachkräften nach Vorgabe des Herstellers unter Berücksichtigung der gesetzlichen Vorschriften ersetzt werden dürfen.

Info zu GPSR: Stanley Black & Decker Deutschland GmbH Black-&-Decker-Strasse 40, 65510 Idstein support@blackanddecker.de

    Kategorien
    Ersatzteil-Fee

    Die Ersatzteilfee

    Das rege Interesse an dem Angebot in meinem Onlineshop hat mir gezeigt, dass die Zufriedenheit meiner Kunden sehr groß ist. Zahlreiche positive Kundenmeinungen bestätigen den gut sortierten Aufbau des Shops, die gute Beratung und den zügigen Versand. Mehr über mich...

    Wir helfen Ihnen gerne, das richtige Ersatzteil zu finden. Dazu können Sie uns auch gerne Anfragen oder Fotos vom Ersatzteil/Gerät auf das Handy 0152 560 383 53
    per WhatsApp senden. SMS Nachrichten können nicht empfangen werden!


    Info zur Mehrwertsteuer

    Lieferland wählen

    Wählen Sie das Lieferland aus, um die Preise inkl. MwSt. abhängig von der Lieferadresse angezeigt zu bekommen.



    Die im Shop angegebenen Preise sind in Euro inkl. der deutschen Mehrwertsteuer angegeben.
    Für Bestellungen aus einem anderen EU-Land muss die dort geltende Mehrwertsteuer berechnet werden. Wenn Sie im Warenkorb das Lieferland auswählen, wird Ihnen auch der korrekte Mehrwertsteuersatz zu Ihrem EU-Land angezeigt.