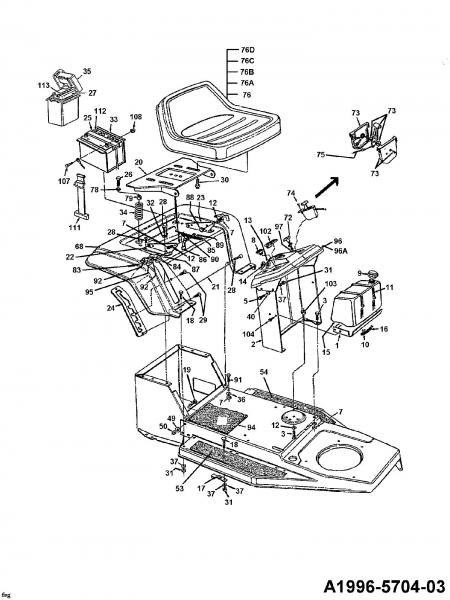
Ersatzteile Bauhaus Rasentraktoren Gardol Topcut 12/91 Typ: 136H453E646  (1996) Batterie, Sitz, Sitzwanne, Tank
Für eine größere Ansicht klicken Sie auf das Vorschaubild

Ersatzteile Bauhaus Rasentraktoren Gardol Topcut 12/91 Typ: 136H453E646 (1996) Batterie, Sitz, Sitzwanne, Tank

MTD
MTD Art.Nr.: A1996-5704-03
Hier können Sie Ersatzteile Bauhaus Rasentraktoren Gardol Topcut 12/91 Typ: 136H453E646 (1996) Batterie, Sitz, Sitzwanne, Tank einfach online kaufen.

In der Skizze sind die Teile mit einer Zahl gekennzeichnet. Diese finden Sie in der Tabelle wieder und können so das Ersatzteil aus der Tabelle auswählen und online kaufen.


Ersatzteil
deutschenglishfrench
PreisBildkaufen
Teil 3 6KT-SCHR.5/16-18:.75:GR2:STD
Art.Nr.: WG-710-0118
Part 3 HHCS:5/16-18:.75:GR2:STD
Article no.: WG-710-0118
Partie 3 VIS
Numéro d'article: WG-710-0118
2,68 € ohne Abbildung
Teil 5 SKT-SCHR.1/4-20X.62" LG.
Art.Nr.: WG-710-0258
Part 5 HHCS:1/4-20:.625:GR2:STD
Article no.: WG-710-0258
Partie 5 VIS
Numéro d'article: WG-710-0258
2,88 € ohne Abbildung
Teil 8 WIPPSCHALTER:LICHT
Art.Nr.: WG-725-0634
Part 8 SW:ROCKER
Article no.: WG-725-0634
Partie 8 COMMUTATEUR
Numéro d'article: WG-725-0634
18,88 € Teil 8 WIPPSCHALTER:LICHT Art.Nr.: WG-725-0634
Teil 9 TANKDECKEL
Art.Nr.: WG-751-0603B
Part 9 CAP-GAS TANK
Article no.: WG-751-0603B
Partie 9 BOUCHON RESERVOIR ESSENCE
Numéro d'article: WG-751-0603B
8,99 € Teil 9 TANKDECKEL Art.Nr.: WG-751-0603B
Teil 10 SCHLAUCHKLEMME: 0.50 DIA
Art.Nr.: WG-726-0205
Part 10 CLAMP HOSE: 0.50
Article no.: WG-726-0205
Partie 10 COLLIER DE SERRAGE DE BOYAU
Numéro d'article: WG-726-0205
2,56 € Teil 10 SCHLAUCHKLEMME: 0.50 DIA Art.Nr.: WG-726-0205
Teil 11 KABELBINDER: 7.8 x 750 mm
Art.Nr.: WG-726-0230
Part 11 TIE:CBL:30.66 LG
Article no.: WG-726-0230
Partie 11 COLLIER
Numéro d'article: WG-726-0230
5,35 € Teil 11 KABELBINDER: 7.8 x 750 mm Art.Nr.: WG-726-0230
Teil 12 FEDERRING:5/16" NORMALAUSF.
Art.Nr.: WG-736-0119
Part 12 WASHER:LOCK:5/16:SPLT:REG
Article no.: WG-736-0119
Partie 12 RONDELLE
Numéro d'article: WG-736-0119
3,09 € Teil 12 FEDERRING:5/16
Teil 13 ZÜNDSCHLOß M.SCHL. 5POL (ADAPT
Art.Nr.: WG-725-0267B
Part 13 SW:IGN:5 PIN
Article no.: WG-725-0267B
Partie 13 CONTACTEUR A CLE 5 FICHES
Numéro d'article: WG-725-0267B
19,37 € Teil 13 ZÜNDSCHLOß M.SCHL. 5POL (ADAPT Art.Nr.: WG-725-0267B
Teil 14 ZÜNDSCHLÜSSEL
Art.Nr.: WG-925-0201
Part 14 IGNITION KEY FOR 7 PRONG SWITC
Article no.: WG-925-0201
Partie 14 CLE DE CONTACT
Numéro d'article: WG-925-0201
6,36 € Teil 14 ZÜNDSCHLÜSSEL Art.Nr.: WG-925-0201
Teil 15 KRAFTSTOFFTANK:1.25 GAL(ca.5L)
Art.Nr.: WG-751-0553
Part 15 TANK:FUEL:1.25 GALLON
Article no.: WG-751-0553
Partie 15 RESERVOIR 5 L ENV.
Numéro d'article: WG-751-0553
57,79 €**Teil 15 KRAFTSTOFFTANK:1.25 GAL(ca.5L) Art.Nr.: WG-751-0553
Teil 16 KRAFTSTOFFSCHLAUCH E-TEIL-SET
Art.Nr.: WG-751-10349-54
Part 16 GAS LINE 15" LG.
Article no.: WG-751-10349-54
Partie 16 TUYAU / ESSENCE
Numéro d'article: WG-751-10349-54
26,78 €**Teil 16 KRAFTSTOFFSCHLAUCH E-TEIL-SET Art.Nr.: WG-751-10349-54
Teil 18 FL-RD-SCHRAUBE:1/4-20:0.62:GR2
Art.Nr.: WG-710-0134
Part 18 BOLT:CRG:1/4-20:0.62:GR2:STD
Article no.: WG-710-0134
Partie 18 VIS ¡ T¤TE PLATE
Numéro d'article: WG-710-0134
2,68 € Teil 18 FL-RD-SCHRAUBE:1/4-20:0.62:GR2 Art.Nr.: WG-710-0134
Teil 24 SCHNITTHÖHENPLATTE 6-FACH
Art.Nr.: WG-17553
Part 24 BRKT:INDX:LIFT:DK:6POS-PAI
Article no.: WG-17553
Partie 24 PLAQUE D EPAISSEUR DE COUPURE
Numéro d'article: WG-17553
19,41 € Teil 24 SCHNITTHÖHENPLATTE 6-FACH Art.Nr.: WG-17553
Teil 25 BATTERIE TROCKEN
Art.Nr.: WG-725-1705
Part 25 BATTERY:U1:150CCA:DRY
Article no.: WG-725-1705
Partie 25 BATTERIE
Numéro d'article: WG-725-1705
104,73 €**ohne Abbildung
Teil 26 6KT-SCHR.:TT:5/16-18:1.250:HXI
Art.Nr.: WG-710-0817
Part 26 SCR:TT:5/16-18:1.250:HXINDWSH
Article no.: WG-710-0817
Partie 26 VIS HEXAGONALE
Numéro d'article: WG-710-0817
3,43 € ohne Abbildung
Teil 27 BATTERIE 12V 14AH 145X90X170
Art.Nr.: WG-753-0607
Dieses Produkt wird mir leider nicht mehr angeboten
Part 27 BATTERY 12 V 14 AH
Article no.: WG-753-0607
no longer available
Partie 27 BATTERIE 12 V 14 AH
Numéro d'article: WG-753-0607
plus disponible
Teil 27 BATTERIE 12V 14AH 145X90X170 Art.Nr.: WG-753-0607
Teil 28 6KT-SCHR:AB:5/16-12:0.750
Art.Nr.: WG-710-0726
Part 28 SCR:AB:5/16-12:0.750:HXINDWSH
Article no.: WG-710-0726
Partie 28 VIS 5/16-12:0.750:HXINDWS
Numéro d'article: WG-710-0726
3,09 € Teil 28 6KT-SCHR:AB:5/16-12:0.750 Art.Nr.: WG-710-0726
Teil 29 SCHR:AB:1/4-14:0.625:TRUSTRXI
Art.Nr.: WG-710-1017
Part 29 TAP SCREW:1/4-14:.625:TRUSTRXI
Article no.: WG-710-1017
Partie 29 VIS
Numéro d'article: WG-710-1017
2,56 € Teil 29 SCHR:AB:1/4-14:0.625:TRUSTRXI Art.Nr.: WG-710-1017
Teil 30 SCHRAUBE 3/8-16:.625:GR5:STD
Art.Nr.: WG-710-0870
Part 30 HHWSH:3/8-16:.625:GR5:STD
Article no.: WG-710-0870
Partie 30 VIS
Numéro d'article: WG-710-0870
8,84 € Teil 30 SCHRAUBE 3/8-16:.625:GR5:STD Art.Nr.: WG-710-0870
Teil 31 6KT-MUTTER:1/4-20:GR2
Art.Nr.: WG-712-0287
Part 31 NUT:HEX:1/4-20:GR2
Article no.: WG-712-0287
Partie 31 ECROU HEXAGONAL 1/4-20:GR2
Numéro d'article: WG-712-0287
2,73 € ohne Abbildung
Teil 33 BATTERIEKASTEN
Art.Nr.: WG-783-0349637
Part 33 TRAY:BATT:400
Article no.: WG-783-0349637
Partie 33 BO¦TIER DE BATTERIE
Numéro d'article: WG-783-0349637
34,59 €**Teil 33 BATTERIEKASTEN Art.Nr.: WG-783-0349637
Teil 34 DRUCKFEDER:1.35 OD x 3.6
Art.Nr.: WG-732-0588
Part 34 SPRG:COMP 1.35 OD X 3,6
Article no.: WG-732-0588
Partie 34 RESSORT DE PRESSION
Numéro d'article: WG-732-0588
13,63 € Teil 34 DRUCKFEDER:1.35 OD x 3.6 Art.Nr.: WG-732-0588
Teil 36 TELLERFEDER:0.336X0.885X.060
Art.Nr.: WG-736-0242
Part 36 WASH:BLVL:0.336X0.885X0.060
Article no.: WG-736-0242
Partie 36 RONDELLE CONIQUE.340X.872X.060
Numéro d'article: WG-736-0242
3,74 € Teil 36 TELLERFEDER:0.336X0.885X.060 Art.Nr.: WG-736-0242
Teil 37 FEDERRING:1/4" NORMALAUSF.
Art.Nr.: WG-736-0329
Part 37 WASH:LOCK:1/4:SPLT:REG
Article no.: WG-736-0329
Partie 37 RONDELLE GROWER
Numéro d'article: WG-736-0329
2,95 € ohne Abbildung
Teil 40 TELLERFEDER:0.260x0.755x.062
Art.Nr.: WG-736-0270
Part 40 WASH:BLVL:0.260X0.755X0.062
Article no.: WG-736-0270
Partie 40 RONDELLE GROWER
Numéro d'article: WG-736-0270
3,09 € Teil 40 TELLERFEDER:0.260x0.755x.062 Art.Nr.: WG-736-0270
Teil 49 FEDERRING 3/8" SCHW. AUSF.
Art.Nr.: WG-736-0217
Part 49 WASHER:LOCK:3/8:HEAVY DUTY
Article no.: WG-736-0217
Partie 49 RONDELLE GROWER
Numéro d'article: WG-736-0217
2,47 € Teil 49 FEDERRING 3/8
Teil 50 6KT-MUTTER:3/8-24:GR5
Art.Nr.: WG-712-0241
Part 50 NUT:HEX:3/8-24:GR5
Article no.: WG-712-0241
Partie 50 ECROU HEX.: 3/8-24:GR5
Numéro d'article: WG-712-0241
2,42 € Teil 50 6KT-MUTTER:3/8-24:GR5 Art.Nr.: WG-712-0241
Teil 72 BOWDENZUG STARTERKL. 23"LG.
Art.Nr.: WG-746-0616A
Part 72 CHOKE CONTROL 23" GREEN
Article no.: WG-746-0616A
Partie 72 CABLE STARTER 58.4CM
Numéro d'article: WG-746-0616A
15,49 € Teil 72 BOWDENZUG STARTERKL. 23
Teil 73 MOTORBETRIEBSSCHALTER KPL
Art.Nr.: WG-931-0823A
Part 73 THROTTLE CONTROL BOX ASSY
Article no.: WG-931-0823A
Partie 73 MANETTE GAZ AUTOPORTEE
Numéro d'article: WG-931-0823A
25,38 €**Teil 73 MOTORBETRIEBSSCHALTER KPL Art.Nr.: WG-931-0823A
Teil 74 RUNDKOPFSCHR:AB:#10-16:0.500:
Art.Nr.: WG-710-0779A
Part 74 SCR:AB:#10-16:0.500:TRUSPHI
Article no.: WG-710-0779A
Partie 74 VIS
Numéro d'article: WG-710-0779A
2,61 € Teil 74 RUNDKOPFSCHR:AB:#10-16:0.500: Art.Nr.: WG-710-0779A
Teil 75 GASZUG B&S/TEC L=46.5 CM 18,5"
Art.Nr.: WG-746-0638
Part 75 WIRE:THROT:X 18.5
Article no.: WG-746-0638
Partie 75 CABLE ACCELERATEUR B&S
Numéro d'article: WG-746-0638
11,16 € Teil 75 GASZUG B&S/TEC L=46.5 CM 18,5
Teil 76 SITZ V-350 4-LOCH BEFEST SCHWZ
Art.Nr.: WG-757-0345
Part 76 SEAT V-350 (4) BOLT BLACK
Article no.: WG-757-0345
Partie 76 SIEGE
Numéro d'article: WG-757-0345
185,30 €**ohne Abbildung
Teil 76A SITZ V-450 4-LOCH BEFEST SCHWZ
Art.Nr.: WG-757-0338
Part 76A SEAT V-450 (4) BOLT BLACK
Article no.: WG-757-0338
Partie 76A SIEGE-DOSSIER MOYEN NOIR
Numéro d'article: WG-757-0338
185,30 €**ohne Abbildung
Teil 78 U-SCHEIBE:0.339x0.890x0.063
Art.Nr.: WG-736-0159
Part 78 WASH:FLAT:0.339X0.890X0.063
Article no.: WG-736-0159
Partie 78 RONDELLE .349 X 88X.06"
Numéro d'article: WG-736-0159
3,09 € ohne Abbildung
Teil 83 6KT-BLECHSCHR:AB:#8-18:0.50
Art.Nr.: WG-710-0227
Part 83 SCR:AB:#8-18:0.50:HXINDWH
Article no.: WG-710-0227
Partie 83 VIS
Numéro d'article: WG-710-0227
2,68 € Teil 83 6KT-BLECHSCHR:AB:#8-18:0.50 Art.Nr.: WG-710-0227
Teil 84 SCHALTFEDER:SITZ INNEN
Art.Nr.: WG-725-1439
Part 84 SW:INNER SEAT SPRG
Article no.: WG-725-1439
Partie 84 RESSORT SURETE DE SIEGE
Numéro d'article: WG-725-1439
9,09 € Teil 84 SCHALTFEDER:SITZ INNEN Art.Nr.: WG-725-1439
Teil 85 ZUGFEDER .75 OD X 5.31 LG
Art.Nr.: WG-732-0581B
Part 85 SPRG:EXTN:.75 OD X 5.31
Article no.: WG-732-0581B
Partie 85 RESSORT DE TRACTION
Numéro d'article: WG-732-0581B
6,82 € ohne Abbildung
Teil 86 KONTAKTHEBEL
Art.Nr.: WG-17239A
Part 86 SEAT LIFT BRACKET-PHOS & O
Article no.: WG-17239A
Partie 86 LEVIER / CONTACT
Numéro d'article: WG-17239A
9,64 € ohne Abbildung
Teil 87 HAUPTISOLIERPLATTE MIT CLIPS
Art.Nr.: WG-726-0278
Part 87 INSULATING PLATE
Article no.: WG-726-0278
Partie 87 PLAQUE D ISOLATION
Numéro d'article: WG-726-0278
2,56 € ohne Abbildung
Teil 88 SHLT-SCHR:0.437X0.155:5/16-18
Art.Nr.: WG-738-0155
Part 88 SCR:SHLDR:0.437X0.155:5/16-18
Article no.: WG-738-0155
Partie 88 VIS EPAULEE
Numéro d'article: WG-738-0155
7,16 € ohne Abbildung
Teil 89 SCHULTERSCHR:.437x.262:5/16-18
Art.Nr.: WG-738-0296
Part 89 SCR:SHLDR:.437 x .262:5/16-18
Article no.: WG-738-0296
Partie 89 AXE EPAULE
Numéro d'article: WG-738-0296
6,69 € ohne Abbildung
Teil 90 SCHEIBE:WELLE:.438X.750X.017
Art.Nr.: WG-736-0141
Part 90 WASH:WAVE:0.438X0.750X0.017:HD
Article no.: WG-736-0141
Partie 90 RONDELLE
Numéro d'article: WG-736-0141
2,88 € ohne Abbildung
Teil 91 6KT-SCHR:TT:5/16-18 x0.625:HEX
Art.Nr.: WG-710-0604
Part 91 SCREW TT:5/16-18:0.625HXINDWSH
Article no.: WG-710-0604
Partie 91 VIS HEX.TT:5/16-18:0.62
Numéro d'article: WG-710-0604
3,74 € ohne Abbildung
Teil 92 ISOLIERPLATTE
Art.Nr.: WG-726-0279
Part 92 INSULATING PLATE
Article no.: WG-726-0279
Partie 92 PLAQUE D ISOLATION
Numéro d'article: WG-726-0279
2,56 € ohne Abbildung
Teil 95 SCHALTFEDER:SITZ AUSSEN:
Art.Nr.: WG-725-1303
Part 95 SW:OUTER SEAT SPRG
Article no.: WG-725-1303
Partie 95 RESSORT DE SURETE SI£GE
Numéro d'article: WG-725-1303
2,56 € Teil 95 SCHALTFEDER:SITZ AUSSEN: Art.Nr.: WG-725-1303
Teil 97 KLAMMER:CHOKE-ZUG
Art.Nr.: WG-17782
Part 97 CHOKE CABLE RETAINER CLIP
Article no.: WG-17782
Partie 97 CLIP: STARTER DE TRACTION
Numéro d'article: WG-17782
10,41 € Teil 97 KLAMMER:CHOKE-ZUG Art.Nr.: WG-17782
Teil 102 AMPEREMETER ECKIG
Art.Nr.: WG-725-0925
Part 102 SQUARE AMMETER
Article no.: WG-725-0925
Partie 102 AMPEREMETRE ANGULEUX
Numéro d'article: WG-725-0925
29,43 €**Teil 102 AMPEREMETER ECKIG Art.Nr.: WG-725-0925
Teil 103 6KT-MUTTER:5/16-18:GR5
Art.Nr.: WG-712-3007
Part 103 NUT:JAM:5/16-18:GR5
Article no.: WG-712-3007
Partie 103 ECROU HEX. 5/16-18 GR5
Numéro d'article: WG-712-3007
2,68 € ohne Abbildung
Teil 104 6KT-SCHRAUBE:TT:1/4-20:0.500
Art.Nr.: WG-710-0599
Part 104 SCREW:TT:1/4-20:0.500:HXINDWSH
Article no.: WG-710-0599
Partie 104 VIS A SIX PANS CREUX
Numéro d'article: WG-710-0599
4,58 € Teil 104 6KT-SCHRAUBE:TT:1/4-20:0.500 Art.Nr.: WG-710-0599
Teil 107 6KT-SCHR:1/4-20:0.75:GR5:STD
Art.Nr.: WG-710-3015
Part 107 HHCS:1/4-20:0.75:GR5:STD
Article no.: WG-710-3015
Partie 107 VIS:1/4-20:.75:GR5:STD
Numéro d'article: WG-710-3015
3,09 € Teil 107 6KT-SCHR:1/4-20:0.75:GR5:STD Art.Nr.: WG-710-3015
Teil 108 6KT-MUTTER 1/4-20"+ZAHNSCHEIBE
Art.Nr.: WG-712-0271
Part 108 NUT:HEXKEPS:1/4-20:GR5
Article no.: WG-712-0271
Partie 108 ECROU 1/4-20"+ DISQUE DENTE
Numéro d'article: WG-712-0271
2,68 € ohne Abbildung
Teil 111 HALTEGURT:BATTERIE
Art.Nr.: WG-723-0444
Part 111 STRAP:BAT 400
Article no.: WG-723-0444
Partie 111 CEINTURE DE SECURITE BATTERIE
Numéro d'article: WG-723-0444
24,25 € ohne Abbildung
inkl. 19 % MwSt. Steuer-Info
zzgl. Versandkosten
Lieferzeit: 3-10 Werktage*
In den Warenkorb

Wenn Sie Hilfe zu einer Störung Ihres MTD Gerätes benötigen, nehmen Sie einfach Kontakt zu uns auf. Sie können gerne auch eine Nachricht per WhatsApp an 0152 560 383 53 senden. Wir helfen Ihnen gerne!

Alle aufgelisteten Ersatzteile sind original MTD Ersatzteile.

Alle Artikel aus der Kategorie Ersatzteile Bauhaus Rasentraktoren Gardol Topcut 12/91 Typ: 136H453E646 (1996)

Bitte beachten Sie, dass Elektro MTD Ersatzteile nur von Elektrofachkräften nach Vorgabe des Herstellers unter Berücksichtigung der gesetzlichen Vorschriften ersetzt werden dürfen.

Info zu GPSR: Stanley Black & Decker Deutschland GmbH Black-&-Decker-Strasse 40, 65510 Idstein support@blackanddecker.de

    Kategorien
    Ersatzteil-Fee

    Die Ersatzteilfee

    Das rege Interesse an dem Angebot in meinem Onlineshop hat mir gezeigt, dass die Zufriedenheit meiner Kunden sehr groß ist. Zahlreiche positive Kundenmeinungen bestätigen den gut sortierten Aufbau des Shops, die gute Beratung und den zügigen Versand. Mehr über mich...

    Wir helfen Ihnen gerne, das richtige Ersatzteil zu finden. Dazu können Sie uns auch gerne Anfragen oder Fotos vom Ersatzteil/Gerät auf das Handy 0152 560 383 53
    per WhatsApp senden. SMS Nachrichten können nicht empfangen werden!


    Info zur Mehrwertsteuer

    Lieferland wählen

    Wählen Sie das Lieferland aus, um die Preise inkl. MwSt. abhängig von der Lieferadresse angezeigt zu bekommen.



    Die im Shop angegebenen Preise sind in Euro inkl. der deutschen Mehrwertsteuer angegeben.
    Für Bestellungen aus einem anderen EU-Land muss die dort geltende Mehrwertsteuer berechnet werden. Wenn Sie im Warenkorb das Lieferland auswählen, wird Ihnen auch der korrekte Mehrwertsteuersatz zu Ihrem EU-Land angezeigt.