Einstellungen
Versandland
Ihr Warenkorb ist leer.
Schnellkauf

Bitte geben Sie eine Artikelnummer ein.

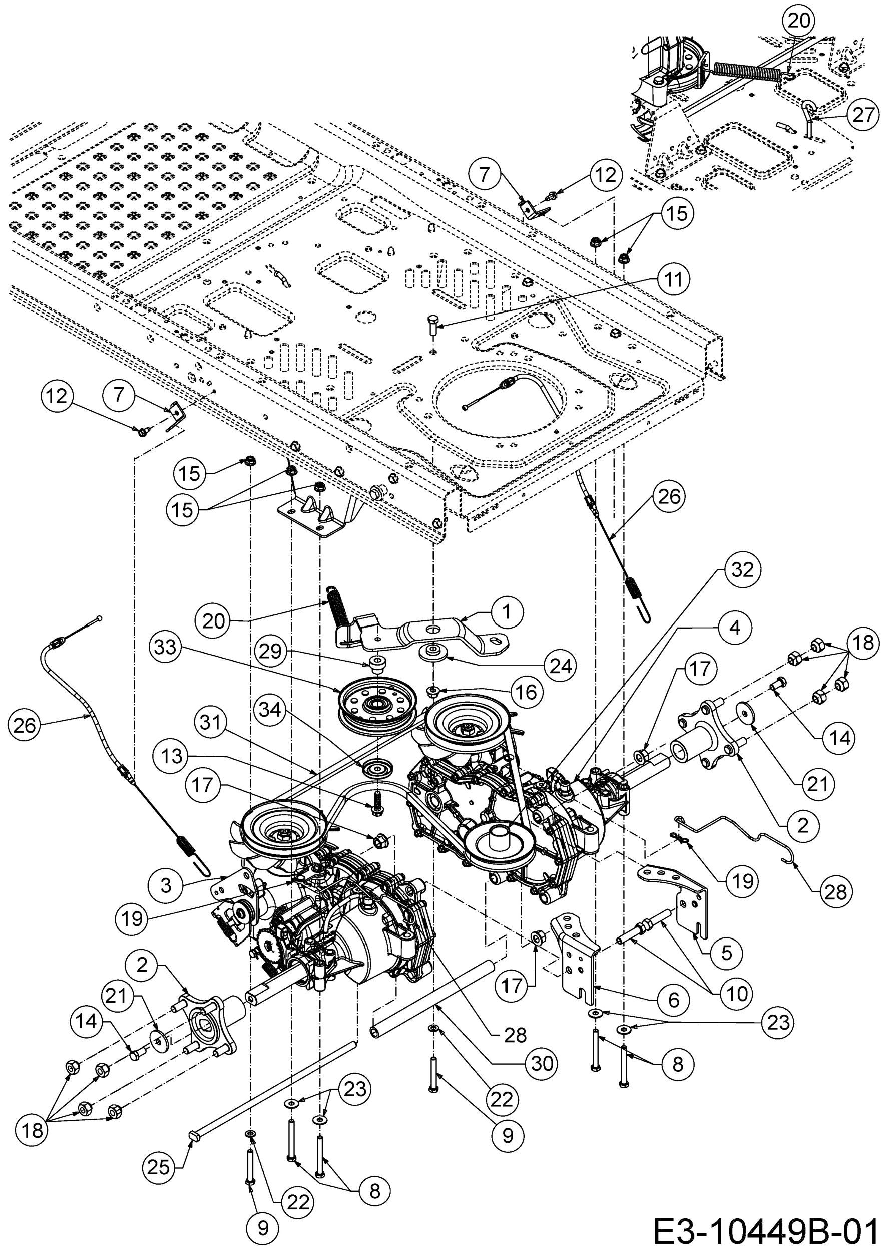
Cub Cadet Ersatzteile Zero Turn XZ1 137 17CICACW603 (2019) Fahrantrieb

Cub Cadet
Art.Nr.: E3-10449B-01
Cub Cadet Ersatzteile Zero Turn XZ1 137 17CICACW603 (2019) Fahrantrieb
Cub Cadet Ersatzteile Zero Turn XZ1 137 17CICACW603 (2019) Fahrantrieb
Lieferzeit: 3-7 Werktage*
Suchen Sie in der Zeichnung nach der Nummer die sie benötigen. Wählen Sie diese dann in der Tabelle aus. Nur die, in der Tabelle aufgeführten Ersatzteile, sind verfügbar.

ErsatzteilPreisBildkaufen
Teil: 1 | SPANNARM
WG-603-05256
38,96 €**ohne Abbildung
Teil: 2 | RADAUFNAHME VOLLST:4-LOCH
WG-618-04317
96,49 €**ohne Abbildung
Teil: 3 | GETRIEBE HYDRO LINKS
WG-618-05128B
1.176,05 €**ohne Abbildung
Teil: 4 | GETRIEBE HYDRO RECHTS
WG-618-05129B
1.187,57 €**ohne Abbildung
Teil: 5 |
WG-703-08614A-S
21,00 €**ohne Abbildung
Teil: 6 |
WG-703-08615A-S
21,00 €**ohne Abbildung
Teil: 7 |
WG-703-09220637
9,93 €**ohne Abbildung
Teil: 8 | 6KT-SCHR:5/16-18:2.75:GR5:STD
WG-710-0176
6,14 €**ohne Abbildung
Teil: 9 | 6KT-SCHR:5/16-18:2.25:GR5:STD
WG-710-0395
4,27 €**ohne Abbildung
Teil: 10 | KOPFSCHRAUBE
WG-710-04092
9,20 €**ohne Abbildung
Teil: 11 | 6KT-SCHR:3/8-16:1.00:GR5:STD
WG-710-0514
4,17 €**Teil 11 6KT-SCHR:3/8-16:1.00:GR5:STD Art.Nr.: WG-710-0514
Teil: 12 | 6KT-SCHRAUBE:TT:1/4-20:0.500
WG-710-0599
4,27 €**Teil 12 6KT-SCHRAUBE:TT:1/4-20:0.500 Art.Nr.: WG-710-0599
Teil: 13 | 6KT-SCHRAUBE:TT:3/8-16:1.25
WG-710-1315
6,36 €**Teil 13 6KT-SCHRAUBE:TT:3/8-16:1.25 Art.Nr.: WG-710-1315
Teil: 14 | S-6KT-SCHRAUBE:3/8-16:0.75:GR5
WG-710-3119
14,23 €**ohne Abbildung
Teil: 15 | KEILRIEMENFÜHRUNG
WG-711-06112
11,05 €**ohne Abbildung
Teil: 16 | 6KT-S-BUNDMUTTER:5/16-18:GRN5
WG-712-04063
4,65 €**Teil 16 6KT-S-BUNDMUTTER:5/16-18:GRN5 Art.Nr.: WG-712-04063
Teil: 17 | 6KT-S-BUNDMUTTER 3/8-16:GRN5
WG-712-04065
4,51 €**Teil 17 6KT-S-BUNDMUTTER 3/8-16:GRN5 Art.Nr.: WG-712-04065
Teil: 18 | S-6KT-MUTTER:FLGLK:7/16-20:GRF
WG-712-0459
4,89 €**Teil 18 S-6KT-MUTTER:FLGLK:7/16-20:GRF Art.Nr.: WG-712-0459
Teil: 19 | RADMUTTER:7/16-14
WG-712-3050
9,26 €**ohne Abbildung
Teil: 20 | FEDERSTECKER:1/4" - 3/8"
WG-714-04040
2,76 €**Teil 20 FEDERSTECKER:1/4
Teil: 21 | ZUGFEDER
WG-732-05559
27,71 €**ohne Abbildung
Teil: 22 | U-SCHEIBE:0.385x1.510x0.134
WG-736-0227
9,20 €**ohne Abbildung
Teil: 23 | U-SCHEIBE:0.320 x0.640 x 0.064
WG-736-0264
3,33 €**ohne Abbildung
Teil: 24 | ANLAUFSCHEIBE:0.338x0.885x.062
WG-736-0371
2,76 €**ohne Abbildung
Teil: 25 | BUNDSCHEIBE:0.380x0.855x0.200
WG-738-04162C
4,66 €**Teil 25 BUNDSCHEIBE:0.380x0.855x0.200 Art.Nr.: WG-738-04162C
Teil: 26 | VERBINDUNGSSTANGE
WG-738-04192B
36,06 €**ohne Abbildung
Teil: 27 | FEDERHAKEN
WG-747-06074
17,50 €**ohne Abbildung
Teil: 28 | BYPASSSTANGE HYDRO
WG-747-06886
12,82 €**ohne Abbildung
  • Produktbeschreibung
  • Hersteller Informationen
Produktbeschreibung
In meinem Onlineshop können Sie so ziemlich alle Cub Cadet Ersatzteile Zero Turn XZ1 137 17CICACW603 (2019) Fahrantrieb einfach online kaufen! Bitte wählen Sie das benötigte Cub Cadet Ersatzteil in der Tabelle aus.

Wenn Sie Hilfe bei der Suche nach dem richtigen Cub Cadet Ersatzteils benötigen, nehmen Sie einfach Kontakt zu uns auf. Sie können gerne auch eine Nachricht per WhatsApp an 0152 560 383 53 senden. Alle aufgelisteten Ersatzteile sind original Cub Cadet Ersatzteile. Nachbauartikel oder Ersatzartikel von anderen Herstellern sind mit dem Wort Nachbau bzw. Ersatzartikel gekennzeichnet.

Alle Artikel aus der Kategorie Cub Cadet Ersatzteile Zero Turn XZ1 137 17CICACW603 (2019) einfach online kaufen!

Bitte beachten Sie, dass Elektro Cub Cadet Ersatzteile nur von Elektrofachkräften nach Vorgabe des Herstellers unter Berücksichtigung der gesetzlichen Vorschriften ersetzt werden dürfen.

Hersteller Informationen
Kontakt Hersteller
Stanley Black & Decker Deutschland GmbH
Black-&-Decker-Strasse 40
65510 Idstein
Germany

support@blackanddecker.de
* gilt für Lieferungen innerhalb Deutschlands, Lieferzeiten für andere Länder entnehmen Sie bitte der Schaltfläche mit den Versandinformationen.
** Die Versandkosten betragen innerhalb Deutschlands für Produkte mit ** Vermerk und KÄRCHER Zubehör 5,90 EUR. Für alle Produkte ohne diesen Vermerk betragen die Versandkosten 4,99 EUR.