Einstellungen
Versandland
Ihr Warenkorb ist leer.
Schnellkauf

Bitte geben Sie eine Artikelnummer ein.

Cub Cadet Ersatzteile Rasentraktoren CC 1018 RD 13AE51CE603 (2007) Motorzubehör

Cub Cadet
Art.Nr.: E3-03407A-01
Cub Cadet Ersatzteile Rasentraktoren CC 1018 RD 13AE51CE603 (2007) Motorzubehör
Cub Cadet Ersatzteile Rasentraktoren CC 1018 RD 13AE51CE603 (2007) Motorzubehör
Lieferzeit: 3-7 Werktage*
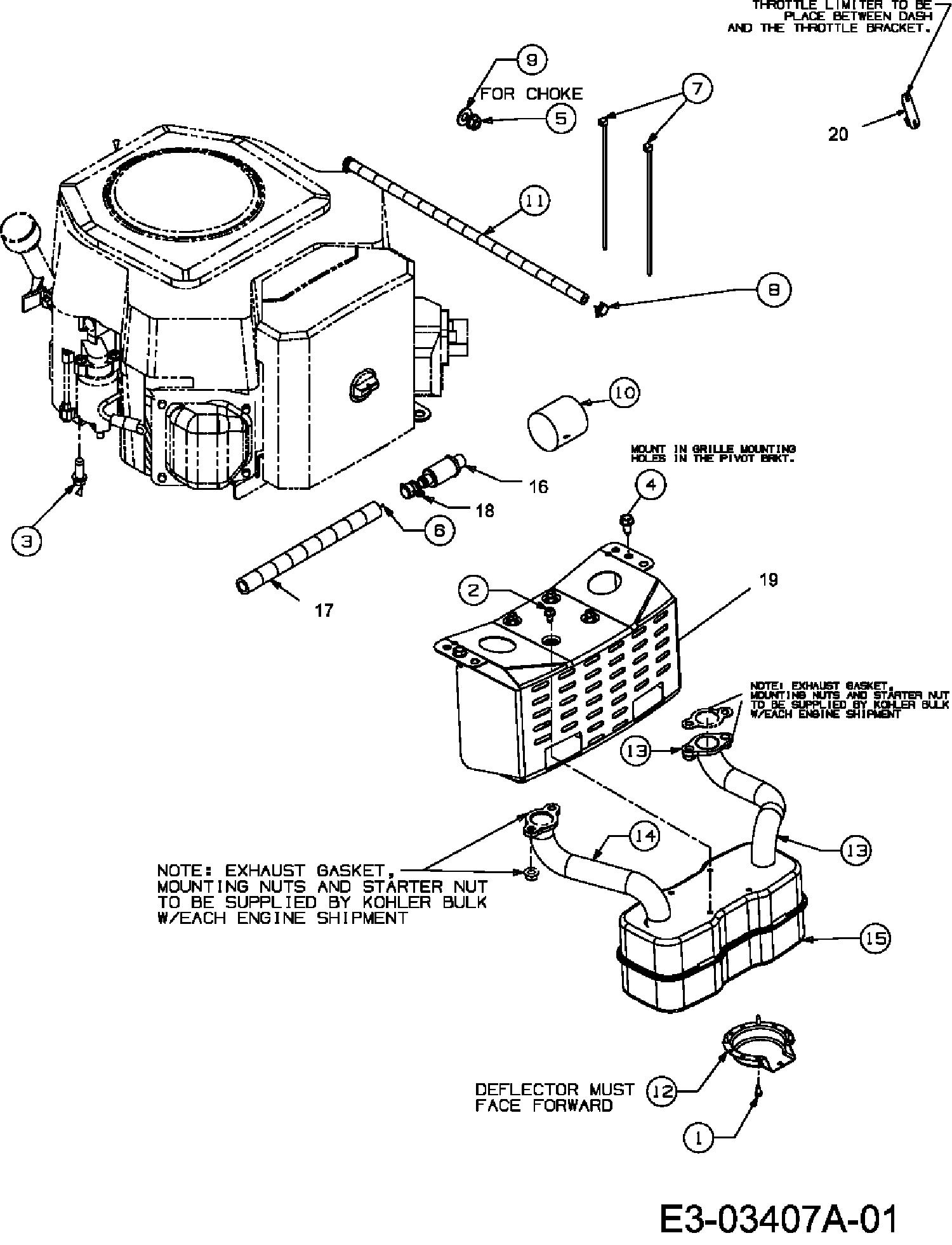
Suchen Sie in der Zeichnung nach der Nummer die sie benötigen. Wählen Sie diese dann in der Tabelle aus. Nur die, in der Tabelle aufgeführten Ersatzteile, sind verfügbar.

ErsatzteilPreisBildkaufen
Teil: 1 | 6KT-BLECHSCHR:AB:#8-18:0.50
WG-710-0227
2,88 €**Teil 1 6KT-BLECHSCHR:AB:#8-18:0.50 Art.Nr.: WG-710-0227
Teil: 2 | 6KT-SCHRAUBE:TT:1/4-20:0.500
WG-710-0599
4,27 €**Teil 2 6KT-SCHRAUBE:TT:1/4-20:0.500 Art.Nr.: WG-710-0599
Teil: 3 | 6KT-SCHR.:TT:SEMS:3/8-16:1.000
WG-710-0654A
5,49 €**Teil 3 6KT-SCHR.:TT:SEMS:3/8-16:1.000 Art.Nr.: WG-710-0654A
Teil: 4 | 6KT-SCHR:AB:5/16-12:0.750
WG-710-0726
3,33 €**Teil 4 6KT-SCHR:AB:5/16-12:0.750 Art.Nr.: WG-710-0726
Teil: 5 | 6KT-S-BUNDMUTTER:3/8-16:GR5
WG-712-3005
3,16 €**ohne Abbildung
Teil: 7 | KABELBINDER:.05X.18X7.56:50LB
WG-725-0157
2,88 €**Teil 7 KABELBINDER:.05X.18X7.56:50LB Art.Nr.: WG-725-0157
Teil: 8 | SCHLAUCHKLEMME: 0.50 DIA
WG-726-0205
2,76 €**Teil 8 SCHLAUCHKLEMME: 0.50 DIA Art.Nr.: WG-726-0205
Teil: 9 | U-SCHEIBE:0.396 x0.885 x0.060
WG-736-0300
2,76 €**Teil 9 U-SCHEIBE:0.396 x0.885 x0.060 Art.Nr.: WG-736-0300
Teil: 12 | LUFTLEITBLECH:DFL:AUSPUFF
WG-751-0564B
12,89 €**ohne Abbildung
Teil: 15 | AUSPUFFTOPF:DUAL INLET:KOHLER
WG-751-0805A
124,74 €**ohne Abbildung
Teil: 16 | OELABLAßSTUTZEN
WG-751-10517A
23,16 €**Teil 16 OELABLAßSTUTZEN Art.Nr.: WG-751-10517A
Teil: 18 | VERSCHLUSSKAPPE:ÖLABLASS
WG-751-3142
17,26 €**ohne Abbildung
  • Produktbeschreibung
  • Hersteller Informationen
Produktbeschreibung
In meinem Onlineshop können Sie so ziemlich alle Cub Cadet Ersatzteile Rasentraktoren CC 1018 RD 13AE51CE603 (2007) Motorzubehör einfach online kaufen! Bitte wählen Sie das benötigte Cub Cadet Ersatzteil in der Tabelle aus.

Wenn Sie Hilfe bei der Suche nach dem richtigen Cub Cadet Ersatzteils benötigen, nehmen Sie einfach Kontakt zu uns auf. Sie können gerne auch eine Nachricht per WhatsApp an 0152 560 383 53 senden. Alle aufgelisteten Ersatzteile sind original Cub Cadet Ersatzteile. Nachbauartikel oder Ersatzartikel von anderen Herstellern sind mit dem Wort Nachbau bzw. Ersatzartikel gekennzeichnet.

Alle Artikel aus der Kategorie Cub Cadet Ersatzteile Rasentraktoren CC 1018 RD 13AE51CE603 (2007) einfach online kaufen!

Bitte beachten Sie, dass Elektro Cub Cadet Ersatzteile nur von Elektrofachkräften nach Vorgabe des Herstellers unter Berücksichtigung der gesetzlichen Vorschriften ersetzt werden dürfen.

Hersteller Informationen
Kontakt Hersteller
Stanley Black & Decker Deutschland GmbH
Black-&-Decker-Strasse 40
65510 Idstein
Germany

support@blackanddecker.de
* gilt für Lieferungen innerhalb Deutschlands, Lieferzeiten für andere Länder entnehmen Sie bitte der Schaltfläche mit den Versandinformationen.
** Die Versandkosten betragen innerhalb Deutschlands für Produkte mit ** Vermerk und KÄRCHER Zubehör 5,90 EUR. Für alle Produkte ohne diesen Vermerk betragen die Versandkosten 4,99 EUR.