Einstellungen
Versandland
Ihr Warenkorb ist leer.
Schnellkauf

Bitte geben Sie eine Artikelnummer ein.

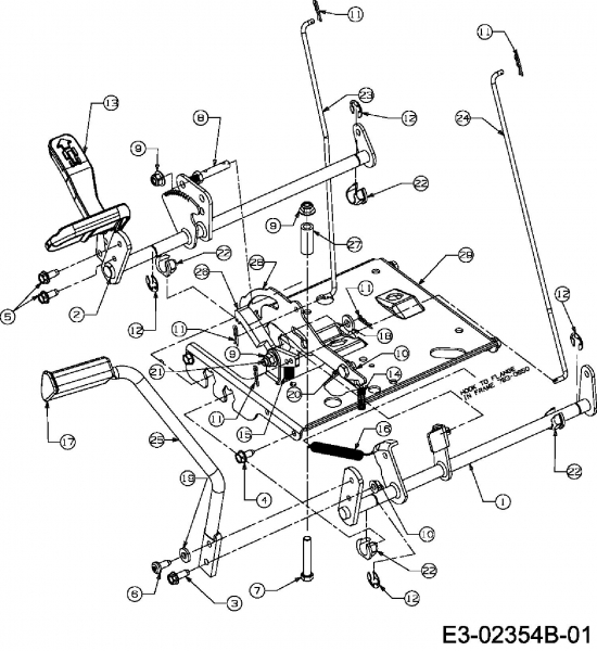
Cub Cadet Ersatzteile Rasentraktoren CC 1018 RD 13AE51CE403 (2007) Pedale

Cub Cadet
Art.Nr.: E3-02354B-01
Cub Cadet Ersatzteile Rasentraktoren CC 1018 RD 13AE51CE403 (2007) Pedale
Cub Cadet Ersatzteile Rasentraktoren CC 1018 RD 13AE51CE403 (2007) Pedale
Lieferzeit: 3-10 Werktage*
Suchen Sie in der Zeichnung nach der Nummer die sie benötigen. Wählen Sie diese dann in der Tabelle aus. Nur die, in der Tabelle aufgeführten Ersatzteile, sind verfügbar.

ErsatzteilPreisBildkaufen
Teil: 1 | BREMSPEDALWELLE VOLLST:500
WG-647-04160637
Zur Zeit nicht lieferbar
ohne Abbildung
Teil: 3 | 6KT-SCHR:TT:5/16-18:.88:HXINDS
WG-710-0650
3,38 €**ohne Abbildung
Teil: 4 | 6KT-SCHR:AB:5/16-12:0.750
WG-710-0726
3,33 €**Teil 4 6KT-SCHR:AB:5/16-12:0.750 Art.Nr.: WG-710-0726
Teil: 5 | 6KT-SCHRAUBE:TT:5/16-18:.750
WG-710-1260A
4,27 €**Teil 5 6KT-SCHRAUBE:TT:5/16-18:.750 Art.Nr.: WG-710-1260A
Teil: 6 | SCHR:TT:5/16-18:0.750:PANTRXI
WG-710-1611B
6,46 €**ohne Abbildung
Teil: 7 | 6KT-SCHR:3/8-16:2.25:GR5:STD
WG-710-3011
5,99 €**ohne Abbildung
Teil: 9 | 6KT-S-BUNDMUTTER 3/8-16:GRN5
WG-712-04065
4,51 €**Teil 9 6KT-S-BUNDMUTTER 3/8-16:GRN5 Art.Nr.: WG-712-04065
Teil: 10 | 6KT-S-BUNDMUTTER:5/16-18:GRF
WG-712-3004A
2,76 €**Teil 10 6KT-S-BUNDMUTTER:5/16-18:GRF Art.Nr.: WG-712-3004A
Teil: 11 | FEDERSTECKER:.072DIA x 1.13 LG
WG-714-0104
2,61 €**Teil 11 FEDERSTECKER:.072DIA x 1.13 LG Art.Nr.: WG-714-0104
Teil: 12 | SICHERUNGSSCHEIBE:0.62:E-62
WG-716-0106A
3,33 €**Teil 12 SICHERUNGSSCHEIBE:0.62:E-62 Art.Nr.: WG-716-0106A
Teil: 13 | PEDAL:ANTRIEB:HYDRO CUB 1500
WG-719-0584B637
51,98 €**ohne Abbildung
Teil: 14 | DRUCKFEDER
WG-732-0335
3,69 €**ohne Abbildung
Teil: 15 | ZUGFEDER:.50 OD x 1.41 LG
WG-732-0955
3,14 €**ohne Abbildung
Teil: 16 | ZUGFEDER: .50 DIA x 6.37 LG
WG-732-0963
11,41 €**Teil 16 ZUGFEDER: .50 DIA x 6.37 LG Art.Nr.: WG-732-0963
Teil: 17 | BELAG FÜR FUSSPEDAL
WG-735-3049A
16,95 €**ohne Abbildung
Teil: 18 | U-SCHEIBE:0.396x0.885x0.120
WG-736-3004
2,47 €**Teil 18 U-SCHEIBE:0.396x0.885x0.120 Art.Nr.: WG-736-3004
Teil: 19 | U-SCHEIBE:0.334x0.760x0.120
WG-736-3008
3,16 €**Teil 19 U-SCHEIBE:0.334x0.760x0.120 Art.Nr.: WG-736-3008
Teil: 20 | SHLT-SCHR:0.437X0.155:5/16-18
WG-738-0155
7,93 €**ohne Abbildung
Teil: 21 | SCHULTERSCHR:.500 x.267:3/8-16
WG-738-0380
9,26 €**ohne Abbildung
Teil: 22 | LAGER:6KT/FLANSCH:.628 ID
WG-741-3065B
7,89 €**ohne Abbildung
Teil: 23 | BREMSSTANGE
WG-747-04093A
16,30 €**ohne Abbildung
Teil: 24 | SCHALTSTANGE CRUISE 8&9 STYLE
WG-747-04096
13,97 €**ohne Abbildung
Teil: 27 | BUCHSE
WG-748-0415B
8,03 €**ohne Abbildung
Teil: 28 | KONSOLE:PARKBREMSE:HYDRO
WG-783-0663E
15,65 €**ohne Abbildung
  • Produktbeschreibung
  • Hersteller Informationen
Produktbeschreibung
In meinem Onlineshop können Sie so ziemlich alle Cub Cadet Ersatzteile Rasentraktoren CC 1018 RD 13AE51CE403 (2007) Pedale einfach online kaufen! Bitte wählen Sie das benötigte Cub Cadet Ersatzteil in der Tabelle aus.

Wenn Sie Hilfe bei der Suche nach dem richtigen Cub Cadet Ersatzteils benötigen, nehmen Sie einfach Kontakt zu uns auf. Sie können gerne auch eine Nachricht per WhatsApp an 0152 560 383 53 senden. Alle aufgelisteten Ersatzteile sind original Cub Cadet Ersatzteile. Nachbauartikel oder Ersatzartikel von anderen Herstellern sind mit dem Wort Nachbau bzw. Ersatzartikel gekennzeichnet.

Alle Artikel aus der Kategorie Cub Cadet Ersatzteile Rasentraktoren CC 1018 RD 13AE51CE403 (2007) einfach online kaufen!

Bitte beachten Sie, dass Elektro Cub Cadet Ersatzteile nur von Elektrofachkräften nach Vorgabe des Herstellers unter Berücksichtigung der gesetzlichen Vorschriften ersetzt werden dürfen.

Hersteller Informationen
Kontakt Hersteller
Stanley Black & Decker Deutschland GmbH
Black-&-Decker-Strasse 40
65510 Idstein
Germany

support@blackanddecker.de
* gilt für Lieferungen innerhalb Deutschlands, Lieferzeiten für andere Länder entnehmen Sie bitte der Schaltfläche mit den Versandinformationen.
** Die Versandkosten betragen innerhalb Deutschlands für Produkte mit ** Vermerk und KÄRCHER Zubehör 5,90 EUR. Für alle Produkte ohne diesen Vermerk betragen die Versandkosten 4,99 EUR.