DEWALT Ersatzteile RADIO DC010 Typ: 1 QS

Art.Nr.: DC010

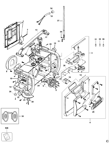
Hier können Sie DEWALT Ersatzteile RADIO DC010 Typ: 1 QS einfach online kaufen. Bitte wählen Sie das benötigte DEWALT Ersatzteil in der Tabelle aus.

Optionen:
  • Ersatzteil: 37 (+22,49 €)

DEWALT Ersatzteile RADIO DC010 Typ: 1 QS