DEWALT Ersatzteile D55395 Typ: 1 QU

Art.Nr.: D55395

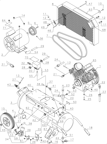
Hier können Sie DEWALT Ersatzteile D55395 Typ: 1 QU einfach online kaufen. Bitte wählen Sie das benötigte DEWALT Ersatzteil in der Tabelle aus.

Optionen:
  • Ersatzteil: 17 (+11,60 €)

DEWALT Ersatzteile D55395 Typ: 1 QU


DEWALT Ersatzteile D55395 Typ: 1 QU