
Art.Nr.: E3-05175A-01
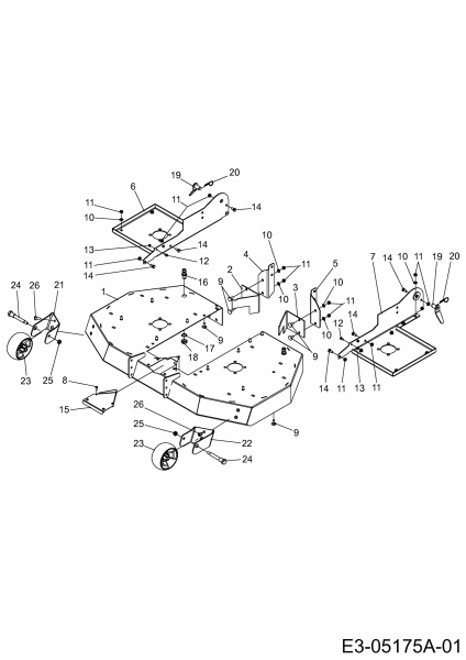
Hier können Sie Ersatzteile Zubehör Kompakttraktoren Mähwerke für CC 2000 RD Serie (Hochgrasmähwerk 40"/102cm) Typ: 596-202-600 (2009) Mähwerksgehäuse einfach online kaufen.
In der Skizze sind die Teile mit einer Zahl gekennzeichnet. Diese finden Sie in der Tabelle wieder und können so das Ersatzteil aus der Tabelle auswählen und online kaufen.