
Art.Nr.: E3-09204A-83
Hier können Sie Ersatzteile Troy-Bilt Rasentraktoren TB 2042 Typ: 13APA1KS309 (2015) Schaltplan Armaturenbrett bis 23.01.2015 einfach online kaufen.
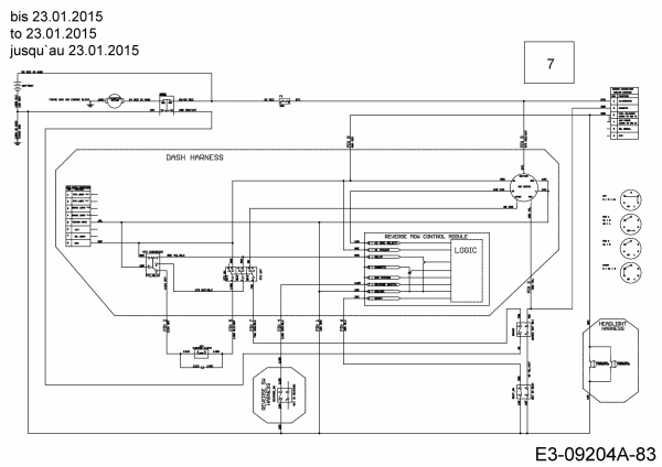
In der Skizze sind die Teile mit einer Zahl gekennzeichnet. Diese finden Sie in der Tabelle wieder und können so das Ersatzteil aus der Tabelle auswählen und online kaufen.