
Art.Nr.: A1988-89-1147-01
Hier können Sie Ersatzteile Novotrac Rasentraktoren NOVOTRAC 11 Classic Typ: 139-5270 (1989) Anhängekupplung einfach online kaufen.
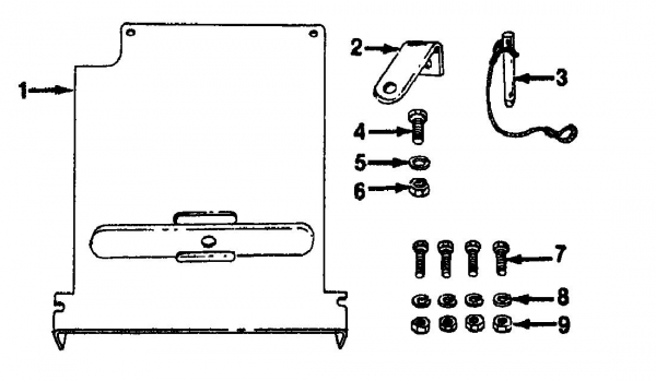
In der Skizze sind die Teile mit einer Zahl gekennzeichnet. Diese finden Sie in der Tabelle wieder und können so das Ersatzteil aus der Tabelle auswählen und online kaufen.