
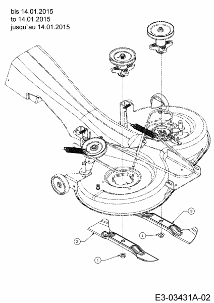
Art.Nr.: E3-03431A-02
Hier können Sie Ersatzteile Gartenland Rasentraktoren GL 17.5/105 H Typ: 13HN99GN640 (2015) Messer bis 14.01.2015 einfach online kaufen.
In der Skizze sind die Teile mit einer Zahl gekennzeichnet. Diese finden Sie in der Tabelle wieder und können so das Ersatzteil aus der Tabelle auswählen und online kaufen.